紳寶D60P0117故障碼怎么消除 紳寶D60故障碼P0117排除方法
故障所屬系統范圍:暫無
適用車型:紳寶D60
中文含義解釋:
P0117:冷卻液溫度傳感器電路電壓過低
P0118:冷卻液溫度傳感器電路電壓過高
英文含義:暫無
P0117故障碼相關知識:
暫無
故障原因和影響:
P0117:冷卻液溫度傳感器電路電壓過低
01 可能的故障原因
01-01 CTS傳感器與ECM之間的線路對地短路。
01-02 傳感器故障。
01-03 發動機控制單元。
P0118:冷卻液溫度傳感器電路電壓過高
01 可能的故障原因
01-01 CTS傳感器與ECM之間的線路對地短路。
01-02 傳感器故障。
01-03 發動機控制單元。
建議及解決方法:
01 DTC檢測步驟:在進行下列步驟之前,確認蓄電池電壓為正常電壓。
01-01 關閉啟動停止按鍵及所有用電器。
01-02 將診斷儀BDS連接至車輛診斷接口上。
01-03 啟動停止按鍵置于“RUN”模式。
01-04 用診斷儀讀取和清除DTC。
提示:使用最新的軟件檢測。
01-05 關閉啟動停止按鍵及所有用電器,3-5 秒后重新將啟動停止按鍵置于“RUN”模式。
01-06 重新啟動發動機進行路試,使發動機在各工況下運行。
01-07 用診斷儀讀取DTC。
01-08 如果檢測到DTC,則說明車輛有故障,請進行相應的診斷步驟。
如果沒有檢測到DTC,則說明先前檢測到的故障為偶發性故障。
02 診斷步驟:
提示:故障排除后,重新驗證DTC及癥狀是否存在。
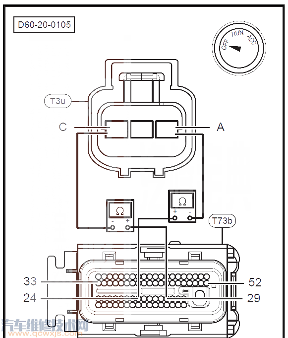
02-01 斷開冷卻液溫度傳感器連接插頭T3u,檢查T3u連接插頭是否有裂痕和異常,針腳是否腐蝕、生銹。
是
清潔連接插頭及針腳。
否
進行第02-02步。
02-02 拆卸冷卻液傳感器,使用萬用表測量冷卻液溫度傳感器T3u/A針腳與T3u/C針腳之間的阻值是否正常(2500±125Ω)。
是
進行第02-03步。
否
更換冷卻液溫度傳感器。
02-03 斷開發動機控制單元插頭T73b插頭。
02-04 測量發動機控制單元插頭T73b/24針腳到冷卻液傳感器插頭T3u/A針腳、T73b/29針腳到T3u/C針腳之間導線是否出現斷路情況。
是
維修故障導線。
否
進行第02-05步。
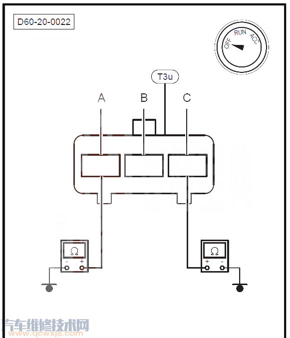
02-05 測量冷卻液傳感器插頭T3u/A針腳、T3u/C針腳與車身接地之間導線是否出現短路情況。
是
維修故障導線。
否
進行第02-06步。
02-06 檢查發動機控制單元供電電路與接地電路是否正常。
是
進行第02-07步。
否
維修故障導線。
02-07 更換發動機控制單元,進行路試;重新進行診斷,讀取故障碼,確認故障碼及癥狀是否存在。
是
從其它癥狀查找原因。
否
更換發動機控制單元。
( 汽車維修技術網 http://www.011315.cn/)











