紳寶D70汽車故障碼P0720是什么故障 紳寶D70P0720故障碼什么意思
故障所屬系統范圍:暫無
適用車型:紳寶D70
中文含義解釋:
P0720:輸出速度傳感器電路
P0722:輸出速度傳感器電路無信號
P0705:變速范圍傳感器電路故障(PRNDM輸入)
英文含義:暫無
P0720故障碼相關知識:
暫無
故障原因和影響:
P0720:輸出速度傳感器電路
01 可能的故障原因
01-01 線路故障
01-02 輸出速度傳感器故障
01-03 控制單元故障
P0722:輸出速度傳感器電路無信號
01 可能的故障原因
01-01 線路故障
01-02 輸出速度傳感器故障
01-03 控制單元故障
P0705:變速范圍傳感器電路故障(PRNDM輸入)
01 可能的故障原因
01-01 線路故障
01-02 輸出速度傳感器故障
01-03 控制單元故障
建議及解決方法:
01 DTC檢測步驟:在進行下列步驟之前,確認蓄電池電壓為正常電壓。
01-01 關閉啟動停止按鍵及所有用電器。
01-02 將診斷儀BDS連接至車輛診斷接口上。
01-03 啟動停止按鍵置于“RUN”模式。
01-04 用診斷儀讀取和清除DTC。
提示:使用最新的軟件檢測。
01-05 關閉啟動停止按鍵及所有用電器,3-5 秒后重新將啟動停止按鍵置于“RUN”模式。
01-06 重新啟動發動機進行路試,使發動機在各工況下運行。
01-07 用診斷儀讀取DTC。
01-08 如果檢測到DTC,則說明車輛有故障,請進行相應的診斷步驟。如果沒有檢測到DTC,則說明先前檢測到的故障為偶發性故障。
02 診斷步驟:
提示:故障排除后,重新驗證DTC及癥狀是否存在。
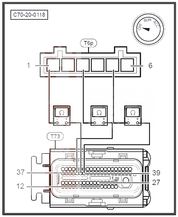
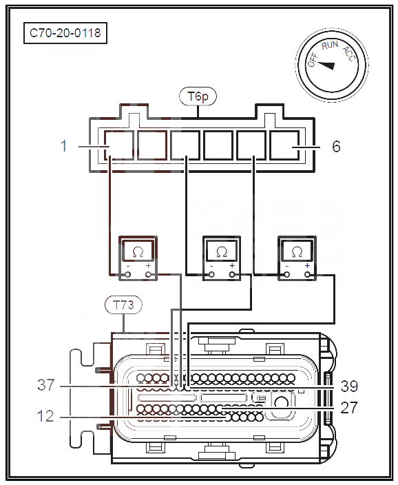
02-01 斷開輸出速度傳感器連接插頭T2aa,檢查T2aa連接插頭是否有裂痕和異常,針腳是否腐蝕、生銹。
是,清潔連接插頭及針腳。
否,進行02-02步。
02-02 斷開自動變速器控制單元插頭T26b。
02-03 測量T26b/14針腳與T2aa/2針腳、T26b/5針腳與T2aa/1針腳之間導線是否出現短路、斷路情況。
是,維修故障導線。
否,進行02-04步。
02-04 更換輸出速度傳感器,進行路試;重新進行診斷,讀取故障碼,確認故障碼及癥狀是否存在。
是,進行02-05步。
否,更換輸出速度傳感器。
02-05 更換自動變速器單元,進行路試;重新進行診斷,讀取故障碼,確認故障碼及癥狀是否存在。
是,從其他癥狀查找原因。
否,更換自動變速器控制單元。
(汽車維修技朮wang www.011315.cn 原創 )











