紳寶X65汽車故障碼P2229排除方法 紳寶X65P2229故障碼怎么解決
故障所屬系統范圍:暫無
適用車型:紳寶X65
中文含義解釋:
P0072:環境溫度傳感器線路低電壓
P0073:環境溫度傳感器線路高電壓或斷路
P2228:大氣壓壓力傳感器短路到低電壓或斷路
P2229:大氣壓壓力傳感器短路到高電壓
英文含義:暫無
P2229故障碼相關知識:
暫無
故障含義解析:
P0072:環境溫度傳感器線路低電壓
01 DTC檢測條件
01-01 發動機運轉。
02 DTC觸發條件
02-01 環境溫度傳感器讀值小于參考電壓的2%
03 可能的故障原因
03-01 線束不良。
03-02 環境溫度傳感器短接到地線。
P0073:環境溫度傳感器線路高電壓或斷路
01 DTC檢測條件
01-01 發動機運轉。
02 DTC觸發條件
02-01 環境溫度傳感器讀值大于參考電壓的98%
03 可能的故障原因
03-01 線束不良。
03-02 環境溫度傳感器短接到高電壓或者斷路。
P2228:大氣壓壓力傳感器短路到低電壓或斷路
01 DTC檢測條件
01-01 發動機運轉。
02 DTC觸發條件
02-01 大氣壓壓力傳感器讀值小于參考電壓的2%
03 可能的故障原因
03-01 線束不良。
03-02 大氣壓壓力傳感器短接到地線或者斷路。
P2229:大氣壓壓力傳感器短路到高電壓
01 DTC檢測條件
01-01 發動機運轉。
02 DTC觸發條件
02-01 大氣壓壓力傳感器讀值大于參考電壓的98%
03 可能的故障原因
03-01 線束不良。
03-02 大氣壓壓力傳感器短接到高電壓。
故障原因及解決方法:
01 DTC檢測步驟:在進行下列步驟之前,確認蓄電池電壓為正常電壓。
01-01 關閉點火開關及所有用電器。
01-02 將診斷儀BDS連接至車輛診斷接口上。
01-03 打開點火開關。
01-04 用診斷儀讀取和清除DTC。
提示:使用最新的軟件檢測。
01-05 關閉點火開關及所有用電器,3-5 秒后重新打開點火開關。
01-06 用診斷儀讀取DTC。
01-07 如果檢測到DTC,則說明車輛有故障,請進行相應的診斷步驟。如果沒有檢測到DTC,則說明先前檢測到的故障為偶發性故障。
02 診斷步驟:
提示:故障排除后,重新驗證DTC及癥狀是否存在。
02-01 斷開環境溫度壓力傳感器連接插頭T4g,檢查T4g連接插頭是否有裂痕和異常,針腳是否腐蝕、生銹。
是
清潔連接插頭及針腳。
否
進行第02-02步。
02-02 斷開發動機控制單元T73b插頭。
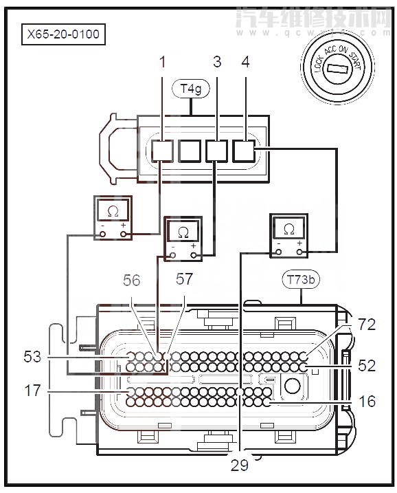
02-03 測量發動機控制單元T73b/57針腳與環境溫度壓力傳感器T4g/1針腳、發動機控制單元T73b/56針腳與環境溫度壓力傳感器T4g/3針腳、發動機控制單元T73b/29針腳與環境溫度壓力傳感器T4g/4針腳之間是否出現斷路情況。
是
維修故障導線。
否
進行第02-04步。
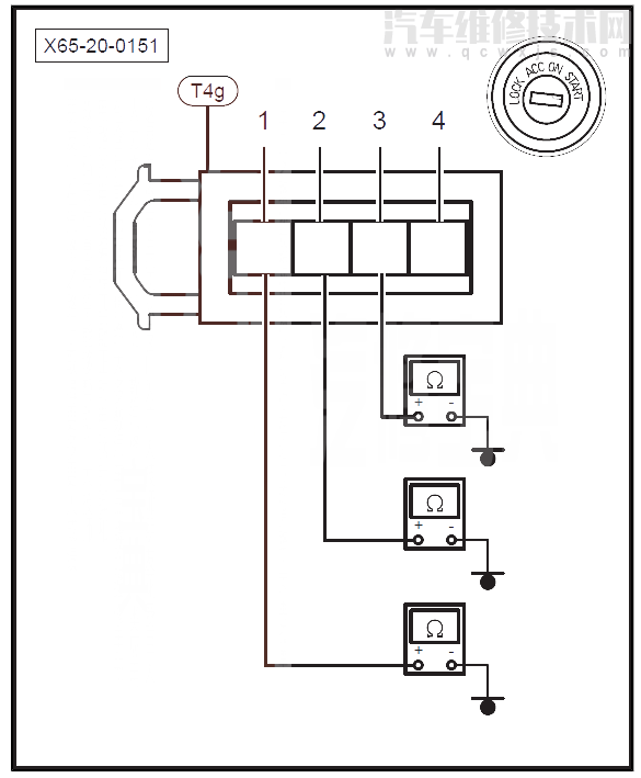
02-04 測量環境溫度壓力傳感器T4g/1針腳、T4g/3針腳、T4g/4針腳與車身接地之間是否出現短路情況。
是
維修故障導線。
否
進行第02-05步。
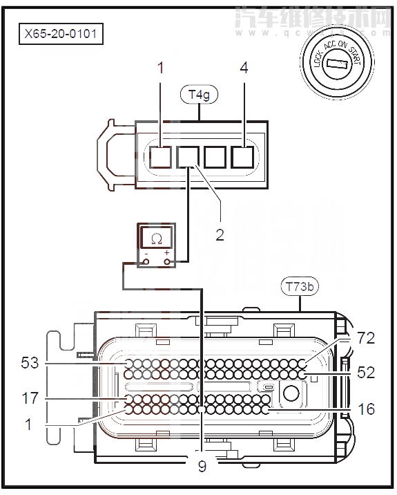
02-05 斷開發動機控制單元T73b插頭。
02-06 發動機控制單元T73b/9針腳與環境溫度壓力傳感器T4g/2針腳之間是否出現斷路情況。
是
維修故障導線。
否
進行第02-07步。
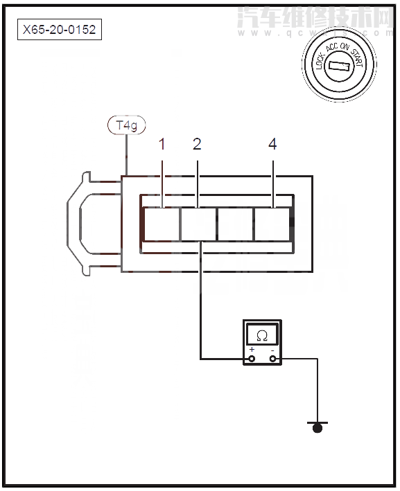
02-07 測量環境溫度壓力傳感器T4g/2針腳與車身接地之間是否出現短路情況。
是
維修故障導線。
否
進行第02-08步。
02-08 更換已知良好的環境溫度壓力傳感器,進行路試;重新進行診斷,讀取故障碼,確認故障碼及癥狀是否存在。
是
進行第02-09步。
否
更換環境溫度壓力傳感器。
02-09 檢查發動機控制單元供電電路與接地電路是否正常。
是
進行第02-10步。
否
維修故障導線。
02-10 更換發動機控制單元,進行路試;重新進行診斷,讀取故障碼,確認故障碼及癥狀是否存在。
是
從其他癥狀查找原因。
否
更換發動機控制單元。
(汽車維修技朮wang www.011315.cn 原創 )












