紳寶X65P0118故障碼怎么消除 紳寶X65故障碼P0118排除方法
故障所屬系統范圍:暫無
適用車型:紳寶X65
中文含義解釋:
P0117:冷卻液溫度傳感器線路低電壓
P0118:冷卻液溫度傳感器線路高電壓或斷路
英文含義:暫無
P0118故障碼相關知識:
暫無
故障原因和影響:
P0117:冷卻液溫度傳感器線路低電壓
01 DTC檢測條件
01-01 發動機運行時間大于120s。
02 DTC觸發條件
02-01 ECM監測到CTS傳感器信號值小于2.0%。
03 可能的故障原因
03-01 CTS傳感器與ECM之間的線路對地短路。
03-02 連接不良。
03-03 CTS傳感器故障。
P0118:冷卻液溫度傳感器線路高電壓或斷路
01 DTC檢測條件
01-01 發動機運行時間大于120s。
02 DTC觸發條件
02-01 ECM監測到CTS傳感器信號值大于97.5%。
03 可能的故障原因
03-01 CTS傳感器與ECM之間的線路對電源短路、斷路。
03-02 接地線束斷路。
03-03 連接不良。
03-04 CTS傳感器故障。
建議及解決方法:
01 DTC檢測步驟:在進行下列步驟之前,確認蓄電池電壓為正常電壓。
01-01 關閉點火開關及所有用電器。
01-02 將診斷儀BDS連接至車輛診斷接口上。
01-03 打開點火開關。
01-04 用診斷儀讀取和清除DTC。
提示:使用最新的軟件檢測。
01-05 關閉點火開關及所有用電器,3-5 秒后重新打開點火開關。
01-06 用診斷儀讀取DTC。
01-07 如果檢測到DTC,則說明車輛有故障,請進行相應的診斷步驟。如果沒有檢測到DTC,則說明先前檢測到的故障為偶發性故障。
02 診斷步驟:
提示:故障排除后,重新驗證DTC及癥狀是否存在。
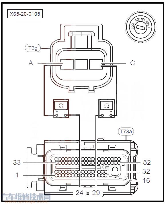
02-01 斷開冷卻液溫度傳感器連接插頭T3g,檢查T3g連接插頭是否有裂痕和異常,針腳是否腐蝕、生銹。
是
清潔連接插頭及針腳。
否
進行第02-02步。
02-02 拆卸冷卻液傳感器,使用萬用表測量冷卻液溫度傳感器T3g/A針腳與T3g/C針腳之間的阻值是否正常(2500±125Ω)。
是
進行第02-03步。
否
更換冷卻液溫度傳感器。
02-03 斷開發動機控制單元插頭T73a插頭。
02-04 測量發動機控制單元插頭T73a/24針腳與冷卻液傳感器插頭T3g/A針腳、T73a/29針腳與T3g/C針腳之間導線是否出現斷路情況。
是
維修故障導線。
否
進行第02-05步。
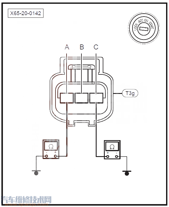
02-05 測量冷卻液傳感器插頭T3g/A針腳、T3g/C針腳與車身接地之間導線是否出現短路情況。
是
維修故障導線。
否
進行第02-06步。
02-06 檢查發動機控制單元供電電路與接地電路是否正常。
是
進行第02-07步。
否
維修故障導線。
02-07 更換發動機控制單元,進行路試;重新進行診斷,讀取故障碼,確認故障碼及癥狀是否存在。
是
從其它癥狀查找原因。
否
更換發動機控制單元。
www.011315.cn











