紳寶D60P0135故障碼怎么消除 紳寶D60故障碼P0135排除方法
故障所屬系統范圍:暫無
適用車型:紳寶D60
中文含義解釋:
P0135:前氧傳感器加熱器故障
英文含義:暫無
P0135故障碼相關知識:
暫無
故障原因和影響:
P0135:前氧傳感器加熱器故障
01 可能的故障原因
01-01 加熱器與ECM之間的線路對電源或對地短路、斷路。
01-02 連接不良。
01-03 前氧傳感器損壞。
01-04 發動機控制單元故障。
建議及解決方法:
01 DTC檢測步驟:在進行下列步驟之前,確認蓄電池電壓為正常電壓。
01-01 關閉啟動停止按鍵及所有用電器。
01-02 將診斷儀BDS連接至車輛診斷接口上。
01-03 啟動停止按鍵置于“RUN”模式。
01-04 用診斷儀讀取和清除DTC。
提示:使用最新的軟件檢測。
01-05 關閉啟動停止按鍵及所有用電器,3-5 秒后重新將啟動停止按鍵置于“RUN”模式。
01-06 重新啟動發動機進行路試,使發動機在各工況下運行。
01-07 用診斷儀讀取DTC。
01-08 如果檢測到DTC,則說明車輛有故障,請進行相應的診斷步驟。
如果沒有檢測到DTC,則說明先前檢測到的故障為偶發性故障。
02 診斷步驟:
提示:故障排除后,重新驗證DTC及癥狀是否存在。
02-01 斷開前氧傳感器氧傳感器連接插頭T4g,檢查T4g連接插頭是否有裂痕和異常,針腳是否腐蝕、生銹。
是
清潔連接插頭及針腳。
否
進行第02-02步。
02-02 檢查前艙電器盒保險絲EF40(15A)是否正常。
是
進行第02-03步。
否
更換保險EF40。
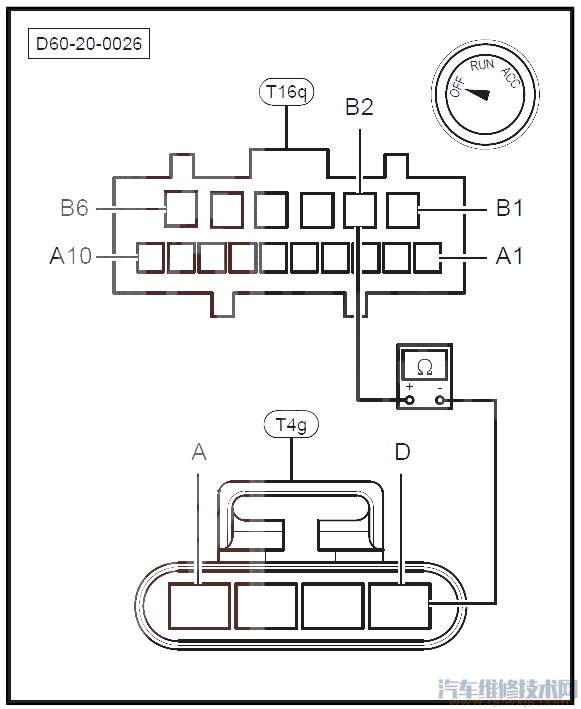
02-03 斷開前氧傳感器氧傳感器連接插頭T4g。
02-04 啟動停止按鍵置于“OFF”模式時,測量前氧傳感器“C”號端子與“D”號端子之間加熱器的電阻值是否正常。
是
進行第02-05步。
否
更換前氧傳感器。

02-05 啟動停止按鍵置于“RUN”模式時,測量T4g/d針腳與車身接地是否有12V的電壓。
是
進行第02-08步。
否
進行第02-06步。
02-06 斷開前艙電器盒插頭T16q。
02-07 測量前艙電器盒插頭T16q/B2針腳到T4g/d針腳之間導線是否出現斷路情況。
是
維修故障導線。
否
進行第02-08步。
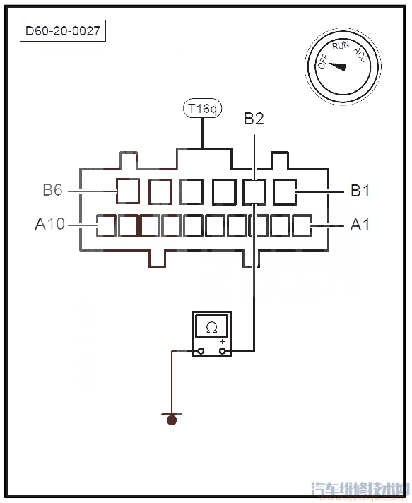
02-08 測量前艙電器盒插頭T16q/B2針腳與車身接地之間導線是否出現短路情況。
是
維修故障導線。
否
進行第02-09步。
02-09 斷開發動機控制單元T73b插頭。
02-10 測量T73b/14針腳到T4g/c針腳之間導線是否出現斷路情況。
是
維修故障導線。
否
進行第02-11步。
02-11 測量前氧傳感器氧傳感器連接插頭T4g/c針腳與車身接地之間導線是否出現短路情況。
是
維修故障導線。
否
進行第02-12步。
02-12 更換發動機控制單元,進行路試;重新進行診斷,讀取故障碼,確認故障碼及癥狀是否存在。
是
從其他癥狀查找原因。
否
更換發動機控制單元。
- 下﹣篇: 新君威行駛中中控鎖會自動解鎖故障維修











