思域P0354故障碼是什么 思域故障碼P0354解決方案
故障所屬系統范圍:暫無
適用車型:思域
中文含義解釋:
P0351:1號氣缸進氣側點火線圈電路故障
P0352:1號氣缸排氣側點火線圈電路故障
P0353:2號氣缸進氣側點火線圈電路故障
P0354:2號氣缸排氣側點火線圈電路故障
P0355:3號氣缸進氣側點火線圈電路故障
P0356:3號氣缸排氣側點火線圈電路故障
P0357:4號氣缸進氣側點火線圈電路故障
P0358:4號氣缸排氣側點火線圈電路故障
英文含義:暫無
P0354故障碼相關知識:
暫無
故障原因和影響:
建議及解決方法:
01 打開點火開關至ON(II)。
02 使用HDS清除故障診斷代碼(DTC)。
03 起動發動機。
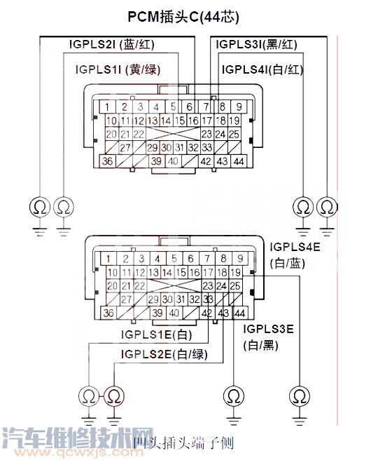
04 使用HDS檢查所有DTC或臨時DTC。是否顯示DTC P0351,P0352,P0353,P0354,P0355,P0356,P0357或P0358?
是,進行05步。
否,間歇性故障,此時系統正常。檢查進氣側點火線圈,排氣側點火線圈與PCM端子之間是否連接不良或松動。
05 關閉點火開關。
06 將故障氣缸的點火線圈與另一個氣缸的點火線圈調換。
07 起動發動機。
08 使用HDS檢查所有DTC或臨時DTC。DTC顯示的氣缸是否已換成另一氣缸?
是,更換有故障的點火線圈,然后進行22步。
否,進行09步。
09 關閉點火開關。
10 檢查發動機蓋下保險/繼電器盒內14號點火線圈(IN)保險絲(15A)(或13號點火線圈(EX)保險絲(15A))*。保險絲是否正常?
是,進行11步。
否,排除點火線圈與14號點火線圈(IN)保險絲(15A)(或13號點火線圈(EX)保險絲(15A))*之間的短路故障。同時更換點火線圈與14號點火線圈(IN)保險絲(15A)(或13號點火線圈(EX)保險絲(15A))*,然后進行22步。
11 測試發動機蓋下保險/繼電器盒內的點火線圈繼電器(A)。
點火線圈繼電器是否正常?
是,進行12步。
否,更換有故障的點火線圈繼電器,然后進行22步。
12 安裝發動機蓋下保險/繼電器盒內的點火線圈繼電器。
13 斷開有故障點火線圈3芯插頭。
14 打開點火開關至ON(II)。
15 測量點火線圈3芯插頭3號端子與車身地線之間的電壓。
是否為蓄電池電壓?
是,進行16步。
否,排除點火線圈與14號點火線圈(IN)保險絲(15A)(或13號點火線圈(EX)保險絲(15A))*之間導線的斷路故障,然后進行22步。
16 關閉點火開關。
17 檢查點火線圈3芯插頭2號端子與車身地線之間的導通性。
是否導通?
是,進行18步。
否,排除點火線圈與G102之間的導線斷路故障,然后進行22步。
18 使用HDS短接SCS線。
19 斷開PCM插頭C(44芯)。
20 檢查有故障點火線圈相應PCM插頭端子與車身地線之間的導通性(見下表)。

是否導通?
是,排除PCM與點火線圈之間導線的短路故障,然后進行22步。
否,進行21步。
21 檢查適當點火線圈3芯插頭1號端子與有故障點火線圈相應PCM插頭端子之間的導通性(見下表)。

是否導通?
是,進行28步。
否,排除PCM與點火線圈之間的導線斷路故障,然后進行22步。
22 關閉點火開關。
23 重新連接所有插頭。
24 打開點火開關至ON(II)。
25 使用HDS重新設置PCM。
26 進行PCM怠速學習程序。
27 使用HDS檢查所有DTC或臨時DTC。是否顯示DTC P0351,P0352,P0353,P0354,P0355,P0356,P0357或P0358?
是,檢查進氣側點火線圈,排氣側點火線圈與PCM端子之間是否連接不良或松動,然后進行01步。
否,故障處理完成。如果顯示其它臨時DTC或DTC,則排除DTC故障。
28 重新連接所有插頭。
29 如果PCM不是最新版軟件,則升級PCM,或使用運行良好的PCM替換。
30 使用HDS檢查所有DTC或臨時DTC。是否顯示為DTC P0351,P0352,P0353,P0354,P0355,P0356,P0357或P0358?
是,檢查進氣側點火線圈,排氣側點火線圈與PCM端子之間是否連接不良或松動。如果已升級PCM軟件,則使用運行良好的PCM更換,然后重新檢查。如果已替換PCM,則進行01步。
否,如果已升級PCM軟件,則故障處理完成。如果替換PCM軟件,則更換原來的PCM。如果顯示其它臨時DTC或DTC,則排除DTC故障。
( 汽車維修技術網 http://www.011315.cn/)
- 下﹣篇: 什么叫半掛車全掛車?











