紳寶D60汽車P0647故障碼怎么解決 紳寶D60故障碼P0647維修方法
故障所屬系統范圍:暫無
適用車型:紳寶D60
中文含義解釋:
P0646:空調離合器繼電器線路短路到低電壓或斷路
P0647:空調離合器繼電器線路短路到高電壓
英文含義:暫無
P0647故障碼相關知識:
暫無
故障原因和影響:
P0646:空調離合器繼電器線路短路到低電壓或斷路
01 可能的故障原因
01-01 空調繼電器故障。
01-02 空調繼電器線路故障。
01-03 ECM故障。
P0647:空調離合器繼電器線路短路到高電壓
01 可能的故障原因
01-01 空調繼電器故障。
01-02 空調繼電器線路故障。
01-03 ECM故障。
建議及解決方法:
01 DTC檢測步驟:在進行下列步驟之前,確認蓄電池電壓為正常電壓。
01-01 關閉啟動停止按鍵及所有用電器。
01-02 將診斷儀BDS連接至車輛診斷接口上。
01-03 啟動停止按鍵置于“RUN”模式。
01-04 用診斷儀讀取和清除DTC。
提示:使用最新的軟件檢測。
01-05 關閉啟動停止按鍵及所有用電器,3-5 秒后重新將啟動停止按鍵置于“RUN”模式。
01-06 (重新啟動發動機進行路試,使發動機在各工況下運行。)
01-07 用診斷儀讀取DTC。
01-08 如果檢測到DTC,則說明車輛有故障,請進行相應的診斷步驟。
如果沒有檢測到DTC,則說明先前檢測到的故障為偶發性故障。
02 診斷步驟:
提示:故障排除后,重新驗證DTC及癥狀是否存在。
02-01 檢查前艙電器盒EF43(15A)保險絲是否正常。
是
進行第02-02步。
否
更換EF43(15A)保險絲,排除保險絲故障。
02-02 拔出壓縮機繼電器J103,檢查壓縮機繼電器J103是否有裂痕和異常,端子是否腐蝕、生銹。
是
更換壓縮機繼電器J103,清潔端子。
否
進行第02-03步。
02-03 檢測壓縮機繼電器J103是否正常。
是
進行第02-04步。
否
更換壓縮機繼電器J103。
02-04 斷開發動機控制單元插頭T73a。
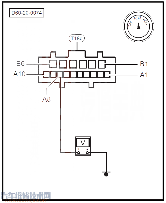
02-05 斷開前艙電器盒插頭T16q。
02-06 測量T73a/51針腳與前艙電器盒插頭T16q/A8針腳之間導線是否出現斷路情況。
是
維修故障導線。
否
進行第02-07步。
02-07 測量前艙電器盒插頭T16q/A8針腳與車身接地之間導線是否出現短路現象。
是
維修故障導線。
否
進行第02-08步。
02-08 啟動停止按鍵置于“RUN”狀態,連接發動機控制單元插頭T73a。
02-09 測量前艙電器盒插頭T16q/A8針腳與車身接地之間電壓值,檢查導線是否對電源電路出現短路情況。
是
維修導線故障。
否
進行第02-10步。
02-10 檢查發動機控制單元供電和接地線路是否正常。
是
進行第02-11步。
否
維修故障導線。
02-11 更換發動機控制單元,進行路試;重新進行診斷,讀取故障碼,確認故障碼及癥狀是否存在。
是
從其它癥狀查找原因。
否
更換發動機控制單元。
(出自WWW.qсWxjs.com )











