看見交通事故時,應當及時撥打12122高速報警電話
我們一旦在高速路上發生了交通事故,或者看到別人發生交通事故時,應當及時撥打12122高速報警電話。同時我們在撥通報警電話之后,將事故的情況告知警方,這里涉及到幾個重要的關鍵信息。準確告知所處位置第一點...
一輛行駛里程約3.6萬km、裝配264發動機、9速自動變速器的2019年奔馳E300轎車。客戶反映:該車儀表臺上的環境照明燈不亮。
故障診斷:
接車后和客戶一起試車,發現車內環境照明燈都正常。經詳細詢問客戶得知,車輛剛啟動前幾分鐘環境照明燈都正常,但大約5min后儀表臺上的環境照明燈就會熄滅。如果熄火再重新啟動,那么環境照明燈就又亮了,過幾分鐘還會熄滅。故障點位置如圖1所示。
正說話時,故障現象再次出現了,此時儀表臺上的環境照明燈不亮,左前及右前腳坑照明燈不亮,左前座椅及右前座椅輪廓照明燈不亮。經過多次試車發現,如果在娛樂系統顯示屏上選擇多色彩模式后(如圖2所示)那么環境照明燈每隔十幾秒鐘就會改變色彩,環境照明燈就會一直亮。如果采用單色彩模式,環境照明燈過一會兒就會熄滅。

連接診斷儀進行快速測試,讀取到故障碼如圖3所示。

環境照明燈也稱氛圍燈,通過相應的照明來調整車內的氛圍,為此它會直接或者間接地照亮車內的不同區域。環境照明燈系統由控制單元(N162)進行控制,環境照明燈系統的LED可以按多達64種不同的顏色促動。
此款車的環境照明燈采用局域互聯網LIN總線控制,分為7條LIN總線系統,如圖4所示。故障現象所處在LIN總線7上面,LIN總線7上又包含了10個環境照明燈。此時查看10個環境照明燈的實際值狀態,都是“準備就緒”,如圖5所示。但奇怪的是為什么一個都不亮呢?


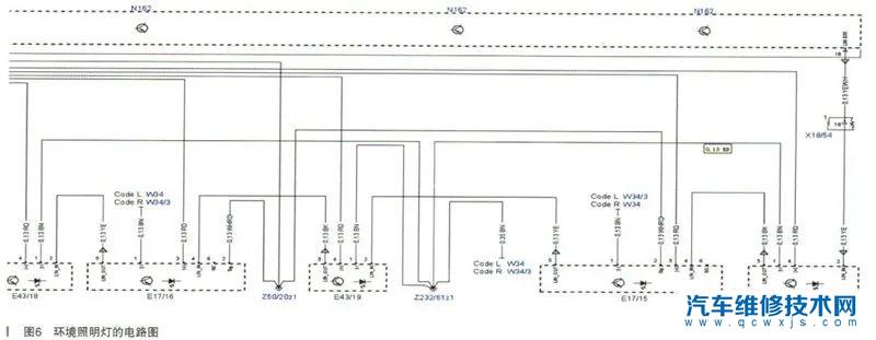
由于只有LIN總線7上的照明燈不亮,首先嘗試對環境照明燈控制單元(N162)進行升級,但升級后故障依舊。又嘗試和正常車調換N162后,故障現象依然存在。由此判斷故障點還是出在線路上,或者某個環境照明燈損壞造成整條線路都出現故障。查找環境照明燈的電路圖,如圖6所示。發現環境照明燈都采用LIN總線控制,并且都以串聯的方式連接。

拆掉儀表臺上的飾板,逐個測量環境照明燈的線路,每個環境照明燈上都有4根線,分別為供電、搭鐵、LIN線進、LIN線出。每個照明燈的供電和搭鐵都正常,LIN線的進出線上都有8V左右的電壓,也正常。后經用HMS990測試LIN線波形,LIN線波形都正常。那么問題來了,對于環境照明燈來說,這些條件都滿足了,但為什么不亮呢?
根據電路圖,并結合實車,對LIN總線7上的10個環境照明燈進行整理排序,LIN線從N162出來后,依次經過副駛駕外側環境照明燈,右前腳坑環境照明燈,副駕駛內側環境照明燈,左前腳坑環境照明燈,主駕駛側環境照明燈,左后腳坑環境照明燈,主駕駛座椅輪廓環境照明燈,中控杯架環境照明燈,副駕駛腳坑照明燈,最后結束于副駕駛座椅輪廓照明燈,如圖7所示。

由于部件較多,無法準確判斷故障點出在哪個位置,測量線路也沒有發現異常,但重新裝復所有插頭后,環境照明燈一直亮,故障又不出現了。后來客戶來車間查看維修進度時告知,行駛在路上時故障更容易出現。征得客戶同意后,在顛簸路段上路試了3個小時,故障也沒有再出現。
檢查至此,基本可以判斷這10個環境照明燈沒有問題,故障還是出在線路上,但一時也不能找出故障點。由于天色已晚,客戶要回家,于是初步想出一個辦法,一共10個環境照明燈,那么就從中間位置,也就是把第5個和第6個之間的插頭拔掉,讓客戶把車開走觀察幾天,如果環境照明燈一直點亮,那么就說明前5個環境照明燈及線路正常,故障點就出現后5個環境照明燈及線路上面
客戶使用3天后,打來電話反映情況,前5個環境照明燈一直正常點亮。說明故障點位于后5個上面。為了準確排除故障,就采用一截線,把后5個照明燈的插頭逐個拔掉,再用線把LIN線短接。看故障點位于哪個照明燈上。經過排查發現,當把左前座椅下面的插頭拔掉并短接后,客戶使用10天,環境照明燈都沒有熄滅,看來故障點在左前座椅上面。于是對左前座椅的線路進行拆檢,發現座椅靠背的骨架處有一處線束擠壓磨損,造成搭鐵。
如圖8所示。原來客戶在買車后,去加裝店加裝了座椅加熱,應該是裝靠背時不小心擠壓到線束,時間長了造成磨損搭鐵。包扎受損線束后,裝復座椅反復試車,環境照明燈沒有熄滅,故障至此排除。

我們一旦在高速路上發生了交通事故,或者看到別人發生交通事故時,應當及時撥打12122高速報警電話。同時我們在撥通報警電話之后,將事故的情況告知警方,這里涉及到幾個重要的關鍵信息。準確告知所處位置第一點...