紳寶D60P0113故障碼怎么消除 紳寶D60故障碼P0113排除方法
故障所屬系統范圍:暫無
適用車型:紳寶D60
中文含義解釋:
P0112:進氣溫度傳感器線路低電壓
P0113:進氣溫度傳感器線路高電壓或斷路
P0236:增壓壓力與大氣壓合理性故障
P0237:增壓壓力傳感器線路低電壓或斷開
P0238:增壓壓力傳感器線路高電壓
P023D:增壓壓力與進氣壓力合理性故障
英文含義:暫無
P0113故障碼相關知識:
暫無
故障原因和影響:
P0112:進氣溫度傳感器線路低電壓
01 可能的故障原因
01-01 增壓溫度壓力傳感器與ECM之間的線路對電源或對地短路、斷路。
01-02 連接不良。
01-03 增壓溫度壓力傳感器傳感器損壞。
01-04 發動機控制單元故障。
P0113:進氣溫度傳感器線路高電壓或斷路
01 可能的故障原因
01-01 增壓溫度壓力傳感器與ECM之間的線路對電源或對地短路、斷路。
01-02 連接不良。
01-03 增壓溫度壓力傳感器傳感器損壞。
01-04 發動機控制單元故障。
P0236:增壓壓力與大氣壓合理性故障
01 可能的故障原因
01-01 增壓溫度壓力傳感器與ECM之間的線路對電源或對地短路、斷路。
01-02 連接不良。
01-03 增壓溫度壓力傳感器傳感器損壞。
01-04 發動機控制單元故障。
P0237:增壓壓力傳感器線路低電壓或斷開
01 可能的故障原因
01-01 增壓溫度壓力傳感器與ECM之間的線路對電源或對地短路、斷路。
01-02 連接不良。
01-03 增壓溫度壓力傳感器傳感器損壞。
01-04 發動機控制單元故障。
P0238:增壓壓力傳感器線路高電壓
01 可能的故障原因
01-01 增壓溫度壓力傳感器與ECM之間的線路對電源或對地短路、斷路。
01-02 連接不良。
01-03 增壓溫度壓力傳感器傳感器損壞。
01-04 發動機控制單元故障。
P023D:增壓壓力與進氣壓力合理性故障
01 可能的故障原因
01-01 增壓溫度壓力傳感器與ECM之間的線路對電源或對地短路、斷路。
01-02 連接不良。
01-03 增壓溫度壓力傳感器傳感器損壞。
01-04 發動機控制單元故障。
建議及解決方法:
01 DTC檢測步驟:在進行下列步驟之前,確認蓄電池電壓為正常電壓。
01-01 關閉啟動停止按鍵及所有用電器。
01-02 將診斷儀BDS連接至車輛診斷接口上。
01-03 啟動停止按鍵置于“RUN”模式。
01-04 用診斷儀讀取和清除DTC。
提示:使用最新的軟件檢測。
01-05 關閉啟動停止按鍵及所有用電器,3-5 秒后重新將啟動停止按鍵置于“RUN”模式。
01-06 (重新啟動發動機進行路試,使發動機在各工況下運行。)
01-07 用診斷儀讀取DTC。
01-08 如果檢測到DTC,則說明車輛有故障,請進行相應的診斷步驟。
如果沒有檢測到DTC,則說明先后檢測到的故障為偶發性故障。
02 診斷步驟:
提示:故障排除后,重新驗證DTC及癥狀是否存在。
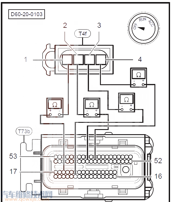
02-01 斷開增壓溫度壓力傳感器連接插頭T4f,檢查T4f連接插頭是否有裂痕和異常,針腳是否腐蝕、生銹。
是
清潔連接插頭及針腳。
否
進行第02-02步。
02-02 拆卸增壓溫度壓力傳感器,檢查是否有油污。
是
清潔增壓溫度壓力傳感器。
否
進行第02-03步。
02-03 啟動停止按鍵置于“OFF”模式,斷開發動機控制單元T73b插頭。
02-04 測量發動機控制單元T73b/6針腳與增壓溫度壓力傳感器T4f/3針腳、發動機控制單元T73b/41針腳與增壓溫度壓力傳感器T4f/4針腳、發動機控制單元T73b/19針腳與增壓溫度壓力傳感器T4f/1針腳、發動機控制單元T73b/43針腳與增壓溫度壓力傳感器T4f/2針腳之間是否有斷路情況。
是
維修故障導線。
否
進行第02-05步。
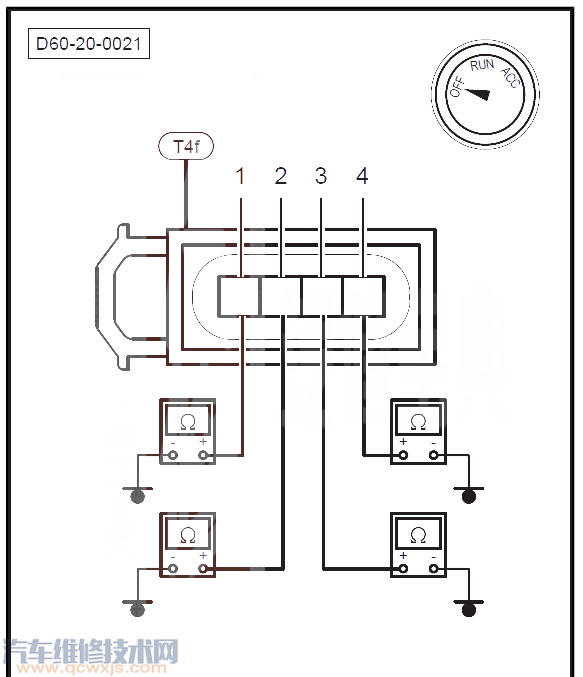
02-05 測量增壓溫度壓力傳感器T4f/1針腳、T4f/2針腳、T4f/3針腳、T4f/4針腳車身接地支架之間是否有短路情況。
是
維修故障導線。
否
進行第02-06步。
02-06 更換已知良好的增壓溫度壓力傳感器,進行路試;重新進行診斷,讀取故障碼,確認故障碼及癥狀是否存在。
是
進行第02-07步。
否
增壓溫度壓力傳感器損壞,更換進氣歧管壓力傳感器。
02-07 檢查發動機控制單元供電電路與接地電路是否正常。
是
進行第02-08步。
否
維修故障導線。
02-08 更換發動機控制單元,進行路試;重新進行診斷,讀取故障碼,確認故障碼及癥狀是否存在。
是
從其他癥狀查找原因。
否
更換發動機控制單元。











