紳寶X65P0113故障碼怎么消除 紳寶X65故障碼P0113排除方法
故障所屬系統范圍:暫無
適用車型:紳寶X65
中文含義解釋:
P0112:進氣溫度傳感器線路低電壓
P0113:進氣溫度傳感器線路高電壓或斷路
P0237:增壓壓力傳感器線路低電壓或斷開
P0238:增壓壓力傳感器線路高電壓
英文含義:暫無
P0113故障碼相關知識:
暫無
故障原因和影響:
P0112:進氣溫度傳感器線路低電壓
01 DTC檢測條件
01-01 無車速傳感器故障。
01-02 車速大于50km/h。
01-03 發動機運行時間大于120s。
02 DTC觸發條件
02-01 ECM監測到IAT進氣溫度傳感器信號值小于2.0%。
03 可能的故障原因
03-01 IAT傳感器與ECM之間的線路對地短路。
03-02 IAT傳感器故障。
03-02 連接不良。
P0113:進氣溫度傳感器線路高電壓或斷路
01 DTC檢測條件
01-01 無車速傳感器、冷卻液溫度傳感器等相關故障。
01-02 車速低于25 km/h。
01-03 冷卻液溫度大于50℃。
01-04 發動機運轉時間大于120s。
01-05 空氣流量小于15g/s。
02 DTC觸發條件
02-01 ECM監測到IAT傳感器信號值大于98%。
03 可能的故障原因
03-01 IAT傳感器與ECM之間的線路對電源短路、斷路。
03-02 連接不良。
03-03 接地線束斷路。
P0237:增壓壓力傳感器線路低電壓或斷開
01 DTC檢測條件
01-01 發動機運轉。
02 DTC觸發條件
02-01 增壓壓力傳感器讀值小于參考電壓的2%。
03 可能的故障原因
03-01 線束不良。
03-02 增壓壓力傳感器短接到地線或者斷路。
P0238:增壓壓力傳感器線路高電壓
01 DTC檢測條件
01-01 發動機運轉。
02 DTC觸發條件
02-01 增壓壓力傳感器讀值大于參考電壓的98%。
03 可能的故障原因
03-01 線束不良。
03-02 增壓壓力傳感器短接到高電壓。
建議及解決方法:
01 DTC檢測步驟:在進行下列步驟之前,確認蓄電池電壓為正常電壓。
01-01 關閉點火開關及所有用電器。
01-02 將診斷儀BDS連接至車輛診斷接口上。
01-03 打開點火開關。
01-04 用診斷儀讀取和清除DTC。
提示:使用最新的軟件檢測。
01-05 關閉點火開關及所有用電器,3-5 秒后重新打開點火開關。
01-06 用診斷儀讀取DTC。
01-07 如果檢測到DTC,則說明車輛有故障,請進行相應的診斷步驟。如果沒有檢測到DTC,則說明先前檢測到的故障為偶發性故障。
02 診斷步驟:
提示:故障排除后,重新驗證DTC及癥狀是否存在。
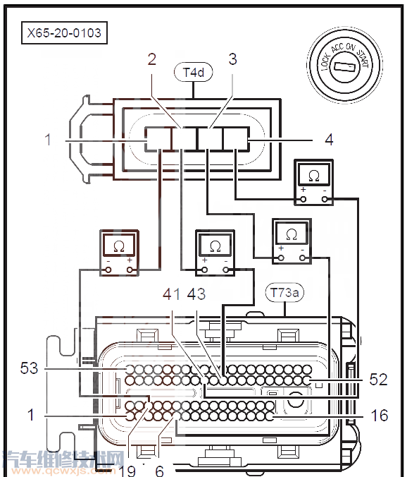
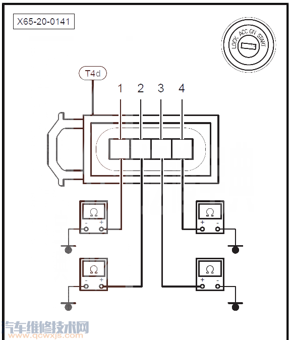
02-01 斷開增壓溫度壓力傳感器連接插頭T4d,檢查T4d連接插頭是否有裂痕和異常,針腳是否腐蝕、生銹。
是
清潔連接插頭及針腳。
否
進行第02-02步。
02-02 拆卸增壓溫度壓力傳感器,檢查是否有油污。
是
清潔增壓溫度壓力傳感器。
否
進行第02-03步。
02-03 點火開關置于“LOCK”狀態,斷開發動機控制單元T73a插頭。
02-04 測量發動機控制單元T73a/6針腳與增壓溫度壓力傳感器T4d/3針腳、發動機控制單元T73a/41針腳與增壓溫度壓力傳感器T4d/4針腳、發動機控制單元T73a/19針腳與增壓溫度壓力傳感器T4d/1針腳、發動機控制單元T73a/43針腳與增壓溫度壓力傳感器T4d/2針腳之間是否有斷路情況。
是
維修故障導線。
否
進行第02-05步。
02-05 測量增壓溫度壓力傳感器T4d/1針腳、T4d/2針腳、T4d/3針腳、T4d/4針腳車身接地支架之間是否有短路情況。
是
維修故障導線。
否
進行第02-06步。
02-06 更換已知良好的增壓溫度壓力傳感器,進行路試;重新進行診斷,讀取故障碼,確認故障碼及癥狀是否存在。
是
進行第02-07步。
否
增壓溫度壓力傳感器損壞,更換進氣歧管壓力傳感器。
02-07 檢查發動機控制單元供電電路與接地電路是否正常。
是
進行第02-08步。
否
維修故障導線。
02-08 更換發動機控制單元,進行路試;重新進行診斷,讀取故障碼,確認故障碼及癥狀是否存在。
是
從其他癥狀查找原因。
否
更換發動機控制單元。











