當前位置:首頁 / 工作原理
汽車助力轉向系維修
10-24
電動動力轉向系統(EPS)的組成及工作原理
汽車助力轉向系維修
2022-10-24 00:42:10
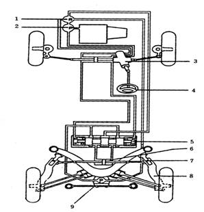
電動動力轉向系統(EPS)的組成該系統通常由轉矩傳感器、車速傳感器、電動機、電磁離合器和減速機構、電子控制器組成。汽車電動動力轉向系統的組成圖...
同步器構造及工作原理
變速器
10-15
液壓動力轉向裝置的工作原理
汽車助力轉向系維修
10-07
電子—液力式動力轉向系統的工作原理
電子—液力式動力轉向系統具有三種控制狀態。電子控制單元(ECU)根據車速傳感器信號判斷出車輛停止、低速狀態與中高速狀態,控制電磁閥通電電流。1.停車與低速狀態電子控制單元(ECU)...
汽車助力轉向系維修
10-04
轉向油泵的結構和工作原理
汽車助力轉向系維修
10-02
液壓式四輪轉向系統的結構與工作原理
汽車助力轉向系維修
2022-09-05 10:17:23
液壓式車速感應型四輪轉向系統的結構1.液壓式車速感應型四輪轉向系統的結構如圖。主要由前輪動力轉向器、前輪轉向油泵、控制閥及后輪轉向動力缸、后輪轉向油泵等組成。...
壓力傳感器的工作原理
汽車傳感器
09-01
凱美瑞混合動力工作原理
車百科
2022-08-19 09:31:46
據汽車維修網小編了解不少朋友對小車有些汽車問題不是很了解的,經常就有小伙伴問到汽車維修網小編:凱美瑞混合動力工作原理下面汽車維修網小編就簡單的給大家介紹一下,對于這個問題大...
電動汽車空調工作原理
車百科
2022-08-19 09:04:45
據汽車維修網小編了解不少朋友對小車有些汽車問題不是很了解的,經常就有小伙伴問到汽車維修網小編:電動汽車空調工作原理下面汽車維修網小編就簡單的給大家介紹一下,對于這個問題大家...
尾氣分析儀的工作原理
尾氣分析儀利用CO和HC對紅外線的吸收特性,采用電容性檢測器檢測紅外線的能量差,并轉換成低頻電信號,經放大后,由微電腦處理后,在液...
汽車維修工具設備的使用
06-12
自診斷系統工作原理 - 汽車故障診斷
汽車檢測與維修技術
2022-06-12 01:05:35
;?ECU內部故障診斷電路能在汽車運行過程中不斷監控電控系統各個元件工作,當發現電子元件有故障時能自動啟動故障運行程序,將故障以代碼的形式儲存在電腦...
路虎電控硅油散熱器工作原理
汽車底盤維修
06-09








































