鼓式制動器結構(圖)及各種鼓式制動器的優缺點
鼓式車輪制動器按張開機構不同又可分為輪缸張開式車輪制動器和凸輪張開式車輪制動器和楔式車輪制動器;
根據制動過程中兩制動蹄產生制動力矩的不同,鼓式車輪 制動器可分為領從蹄式、雙領蹄式、雙向雙領蹄式、雙從蹄式、單向自增力式和雙向自增力。下面我們用結構圖的形式了解一下鼓式制動器的結構。
1.輪缸張開式車輪制動器
1)領從蹄式車輪制動器
圖16. 1所示為領從蹄式車輪制動器結構圖,其結構特點是兩制動蹄的支承點都位于制動蹄的一端,兩支承點與張開力作用點的布置都是軸對稱式;
輪缸中兩活塞的直徑相等。由旋轉部分、固定部分、張開機構和定位調整機構組成。
汽車前進時,制動鼓按圖16. 1示箭頭方向旋轉,當汽車制動時,前后制動蹄在制動輪缸活塞推力Fs作用下分別繞其下端的支點旋轉,由于前蹄在張開時的旋轉方向與制動鼓旋轉方向相同,稱之為領蹄。反之,后蹄的張開方向與制動鼓旋轉方向相反,稱之為從蹄。
在制動過程中,領蹄上的切向合力FT作用使領蹄在制動鼓上被壓得更緊,表明領蹄具有“增勢”作用。
與此相反,從蹄具有“減勢”作用。
領從蹄所產生的制動力矩不等,一般情況下領蹄產生的制動力矩約為從蹄制動力矩的 2?2. 5倍。倒車制動時,制動鼓旋轉方向相反,后蹄變成領蹄,前蹄變成從蹄,但整個制動器的制動效能還是同前進制動時一樣,這個特點稱為制動器的制動效能“對稱”。
領從蹄式車輪制動器的缺點
領從蹄式車輪制動器存在兩個問題:
①在兩蹄摩擦片工作面積相等的情況下,由于領 蹄與從蹄所受法向反力Fn不等,領蹄摩擦片上的單位壓力較大,因而磨損較嚴重,兩蹄 壽命不等
②由于制動蹄對制動鼓加的法向力不平衡,則兩蹄法向力之和只能由車輪輪轂軸承的合力來平衡,這就對輪轂軸承造成了附加徑向載荷,使其壽命縮短。
制動鼓所受來自兩蹄的法向力不能互相平衡的制動器稱為非平衡式制動器。
2)雙領蹄式車輪制動器
雙領蹄式車輪制動器構造圖如圖16. 5(a)所示,在汽車前進制動時,兩制動蹄均為領蹄的制動器稱為雙領蹄式制動器,其結構特點是兩個制動蹄各用一個單活塞的輪缸,且兩套制動蹄、制動輪缸、偏心支承銷和調整凸輪等在制動底板上的布置是中心對稱的。
北京BJ2020S型汽車的前輪制動器就屬于雙領蹄式制動器,如圖16. 6所示。
兩制動蹄各用一個單活塞式輪缸,且兩套制動蹄、制動輪缸、支撐銷和調整凸輪等在制動底板上的布置是中心對稱的,兩個輪缸通過連接油管連通,使其中油壓相等。這樣,在前進制動時,兩制動蹄都是領蹄,制動器的效能得到提高。但在倒車制動時,兩制動蹄均為從蹄, 制動器的制動效能降低。可以設想,在倒車制動時,如果能使上述制動器的兩個制動蹄的 支承點和張開力作用點互換位置,就可以得到與前進制動時相同的制動效能。無論是前進制動還是倒車制動,兩制動蹄都是領蹄的制動器稱為雙向雙領蹄式制動器。
雙向雙領蹄式制動器在結構特點:
(1)采用兩個雙活寨式制動輪缸
(2)兩制動蹄的兩端都采用浮式支撐,且支點的周向位置也是浮動的;
(3)制動底板上的所有固定元件如制動蹄、制 動輪缸、復位彈簧等都是成對的,而且既按軸對稱,又按中心對稱布置。
3)雙從蹄式制動器
前進制動時兩制動蹄均為從蹄的制動器稱為雙從蹄式制動器,雙從蹄式制動器結構圖如圖16. 6(b)所示。這種制動器與雙領蹄式制動器結構很相似,二者的差異只在于固定元件與旋轉元件的相對運動方向不同。雖然雙從蹄式制動器的前進制動效能低于雙領蹄式和領從蹄式制動器,但其對摩擦系數變化的敏感程度較小,即具有良好的制動效能穩定性。
雙領蹄、雙向雙領蹄、雙從蹄式制動器的固定元件布置都是中心對稱的。
如果間隙調整正確,則其制動鼓所受兩制動蹄施加的兩個法向合力能互相平衡,不會對輪轂軸承造成附加徑向載荷。
因此,這3種制動器都屬平衡制動器。
4)自增力式車輪制動器
自增力式車輪制動器有單向和雙向兩種,單向自增力式車輪制動器只在前進方向起增力作用,而在倒車制動時制動效能還不及雙從蹄式制動器,已很少采用。
而雙向自增力式制動器在車輪前進方向和倒車方向時均能向自增力式制動器借助制動蹄與制動鼓的摩擦起自動增力作用。
如圖16. 7所示,兩下端以浮動的可調推桿連接,上端在復位彈簧拉緊力作用下靠緊固定在制動底板上的支承銷。
汽車前進制動時,輪缸活塞在兩制動蹄上施加大小相等、方向相反的張開力,使其向外張開壓向制動鼓。此時兩制動蹄上端都離開支撐銷, 當制動蹄與旋轉的制動鼓接觸后,在摩擦力矩作用下制動鼓帶動兩制動蹄沿旋轉方向轉動,直到后制動蹄頂靠到支撐銷上為止,然后制動蹄與制動鼓進一步壓緊。
此時后蹄處于增力狀態,因為后制動蹄的壓緊力包括輪缸的張開力和前制動蹄對制動后蹄的推力,且由于前制動蹄的助勢作用,經浮動的推桿施于后制動蹄下端的推力比張開力大2?3倍。
倒車制動時,作用過程相反,作用原理相同,后制動蹄為助勢制動蹄,前制動蹄起增力作用, 故稱這種制動器為雙向自增力式制動器。
考慮到前進制動比倒車制動機會多、負荷大,為 使制動蹄片磨損均勻,一般后制動蹄摩擦片做得較長。
圖16. 8所示為北京BJ2023輕型越野車的后輪制動器,它屬于雙向自增力制式動器。
輪缸張開式車輪制動器的優缺點分析
綜上所述,各種輪缸式制動器各有利弊,就制動效能而言,在基本結構參數相同的條件下,自增力式車輪制動器對摩擦助勢的效果利用最為充分,產生的制動力矩最大,其他依次是雙領蹄式車輪制動器和領從蹄式車輪制動器。
自增力式車輪制動器的構造較復雜, 兩制動蹄對制動鼓的法向力和摩擦力是不相等的,屬于非平衡式制動器;
在制動過程中, 自增力式制動器的制動力矩增長急促,制動平順性差'此外,由于是靠摩擦增力,對摩擦 系數的依賴性很大,一旦制動器沾水、沾油后制動效能明顯下降,制動性能不穩定。
領從蹄式制動器雖然制動效能較低,但有結構簡單、制造成本低、制動效能受摩擦系 數的影響相對比小、制動較平順等優點,目前使用仍較廣泛。雙領蹄式制動器的制動效 能、制動穩定性及平順性都介于兩者之間,其特有優點是具有兩個對稱的輪缸,最宜布置雙回路制動系統。2.凸輪張開式車輪制動器
氣壓制動系的車輪制動器一般采用凸輪式張開裝置,且設計成領從蹄式。
東風 EQ1090E型汽車的前輪采用的就是凸輪張開式車輪制動器構造圖,如圖16. 9所示。前后兩制動 蹄用可鍛鑄鐵制成,其下端支撐孔與支撐銷的偏心軸頸為間隙配合,并用擋板及鎖銷軸向 限位。不制動時由復位彈簧把制動蹄上端支撐面拉靠到制動凸輪軸的凸輪上,凸輪與軸制 成一體,多為中碳鋼,其表面經高頻淬火處理,以提高其耐磨性。
制動凸輪軸通過支座固 定在制動底板上,其尾部花鍵軸插人制動調整臂的花鍵孔中。為了減少凸輪軸與支座之間 的摩擦,在支座的兩端裝有青銅襯套或粉末冶金襯套,有潤滑油嘴可定期進行潤滑。在襯套外端裝有密封墊圈,并用止推墊和調整墊片限制和調整凸輪軸的軸向竄動量。制動時,制動調整臂在制動氣室的推動下,帶動制動凸輪軸轉動,凸輪便使兩制動蹄 張開并壓靠在制動鼓上,產生制動作用。由于凸輪的工作表面輪廓中心對稱,且凸輪只能繞固定的軸線轉動而不能移動,故當凸輪轉過一定的角度時,兩制動蹄張開的位移是相等的。在制動蹄與制動鼓之間摩擦力的作用下,前制動蹄為助勢蹄,后制動蹄為減勢蹄,但前制動蹄力圖離開制動凸輪,而后制動蹄卻更加靠緊制動凸輪,造成凸輪對助勢蹄的張開 力小于減勢蹄,從而使兩制動蹄所受到的制動鼓的法向反力近似相等。但由于這種制動器 結構上不是中心對稱的,兩制動蹄作用于制動鼓的法向等效合力雖然大小近似相等,但因 其作用線存在一個不大的夾角而不在一條直線上,不可能相互平衡,故這種制動器仍是非平衡式制動器。
凸輪張開式車輪制動器的間隙可以根據需要進行局部或全面調整。
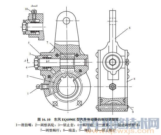
局部調整只是利用 制動調整臂來改變制動凸輪軸的原始角位置,制動調整臂的結構如圖16. 10所示。在制動調整臂體和兩側的端蓋所包圍的空腔內裝有調整渦輪和調整蝸桿。調整蝸桿借細花鍵套裝在蝸桿軸上,調整禍輪以內花鍵與制動凸輪軸的外花鍵相連接。轉動蝸桿,即可在制動調整臂與制動氣室推桿的相對位置不變的情況下,通過渦輪使制動凸輪軸轉過一定角度,從而改變制動凸輪的原始角位置。
制動調整臂的相對位置是靠鎖止套和鎖止螺釘來固定。將具有六角孔的鎖止套按人制動調整臂體的孔中,即可轉動調整蝸桿。調整蝸桿每轉1/6周, 就可放開鎖止套,彈簧即將鎖止套推回與蝸桿六角頭接合的極限位置,這種鎖止裝置更為可靠。進行全面調整時,還應同時轉動帶偏心軸頸的支承銷。東風EQ1090E型汽車車輪制動 間隙標準值:靠近支承銷的一端為0. 25?0. 40mm,靠近制動凸輪的一端為0. 40?0. 55mm。
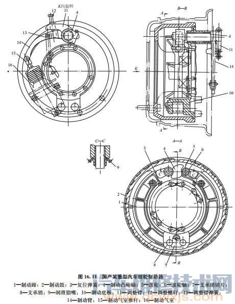
圖16.11所示為國產某重型汽車的前輪制動器。
其中采用了漸開線輪廓的SB制動凸 輪。S形制動凸輪的特點是促動力對凸輪中心的力臂為一定值,一般等于基圓半徑的1/2,與凸輪轉角無關。故不論制動器間隙和制動蹄摩擦片磨損程度如何,凸輪對制動蹄端的促動力始終不變,但這種凸輪輪廓在加工工藝上比較復雜。
該汽車制動器的制動凸輪與制動蹄之間采用滾輪傳動,以提高機械效率。為了防止 摩擦片偏磨和減輕制動噪聲,將制動底板做得剛度較大,而且下部支承銷座采用跨支式。
制動鼓外表面鑄有許多軸向肋片,有助于散熱和提高剛度。制動蹄支承銷不帶偏心 軸頸。制動器間隙調整僅靠改變制動凸輪軸原始角位置來實現。與制動氣室推桿連接的 制動臂松套在制動凸輪軸上,而調整臂則用花鍵與制動凸輪軸連接,圖16.11中表示制動臂處于不制動時的原始位置。調整臂一端裝有調整螺釘,調整臂由復位彈簧拉向制動 臂,到螺釘接觸制動臂時為止。將螺釘旋人,則制動器間隙減小,反之則增大。該汽車 的制動鼓上無檢查孔,間隙不能直接測量,但可以根據為消除制動器間隙所需的制動臂 上端的擺動量來間接測量。在一般情況下,這一擺動量應為15?35mm。調整時若發現 調整螺釘的螺紋部分長度不夠用,可將調整臂從凸輪軸上取下,轉過一個花鍵齒,再裝 。
該重型汽車不裝設中央制動器,而后輪上的行車制動器兼充駐車制動器。故該車上還 有一套手控機械式駐車制動傳動機構,可以直接帶動兩個后輪制動器的制動臂轉到制動位置。
解放CA1091型汽車的車輪制動器也為凸輪張開式車輪制動器,其結構與東風 EQ1090E型汽車的車輪制動器相類似。
3.楔式車輪制動器
楔式車輪制動器中兩制動蹄的布置可以是領從蹄式,也可以是雙向雙領蹄式。作為制動蹄促動件的制動楔本身的促動裝置可以是機械式、液壓式或氣壓式。圖16. 12所示為用于美國WABCO(威斯汀豪斯氣壓制動器公司)120C型重型自卸車前輪的雙向雙領蹄楔式車輪制動器 ,屬于液壓楔式制動裝置。
兩制動蹄端部的圓弧面分別浮支在柱塞3和調整柱塞組件6的外端面直槽底面上。柱塞3和6的內端面都是斜面,與支于滾輪隔離架5兩邊槽內的滾輪4接觸。制動時,輪缸 活塞15在液壓作用下推使制動楔13向內移動。后者又使二滾輪一面沿柱塞斜面向內滾動,一面推使二柱塞3和6在制動底板7的孔中向外移一定距離,從而使制動蹄壓靠到制動鼓上。輪缸液壓一旦解除,這一系列零件即在制動蹄復位彈簧的作用下各自復位,導向銷1和導向棘爪銷10用以防止兩柱塞轉動。
間隙自調裝置由調整螺母8、調整螺釘9及導向棘爪銷10等組成,為實現制動器間隙自動調整,將調整柱塞6設計成杯狀,其內圓面與調整螺母8作動配合。向調整螺母內旋人具有帶齒凸緣的調整螺釘9。調整螺母8同時又是一個斜齒圓柱齒輪,其齒廓是鋸齒形。導向棘爪銷10的內端面也加工出棘齒,可在彈簧11作用下與調整螺母外圓面的齒保持嚙合。





