簡單看懂汽車電路圖
教你怎樣看汽車電路圖
2021-08-20 11:09:51
要想修理某種汽車電路,必須能看懂某種汽車電路圖,總電路圖看起來雖然錯綜復雜,但任何一種汽車一般都是由蓄電池→熔絲總開關、起動機→點火系統、照明→儀表、信號等組成。汽車總電路就是將這些電器設備按照...
大眾車電路圖識讀方法
教你怎樣看汽車電路圖
08-06
汽車空調系統電路圖的看法 汽車空調電路圖講解
教你怎樣看汽車電路圖
2021-07-05 12:04:33
在識讀汽車空調系統電路時,可以把汽車空調系統電路分為三個部分,即信號輸入裝置、空調控制單元、執行器。下面以豐田凱美瑞汽車空調系統電路為例進行講解。如圖所示:傳感器采集環境溫度、車室...
輕松看懂汽車電路圖的幾個關鍵要點
教你怎樣看汽車電路圖
2021-06-13 15:11:48
識讀汽車電路圖的關鍵點要想成為汽車維修的高手,就必須能看懂汽車電路圖。識讀汽車電路圖的方法,在很多教材上均有詳盡地闡述,但對于大多數維修技術人員來說仍然是霧里看花,無法將一張復雜電路看懂,更...
最基本的汽車電路圖入門
教你怎樣看汽車電路圖
05-26
汽車電路圖中常用的符號與含義大全(圖)
教你怎樣看汽車電路圖
05-18
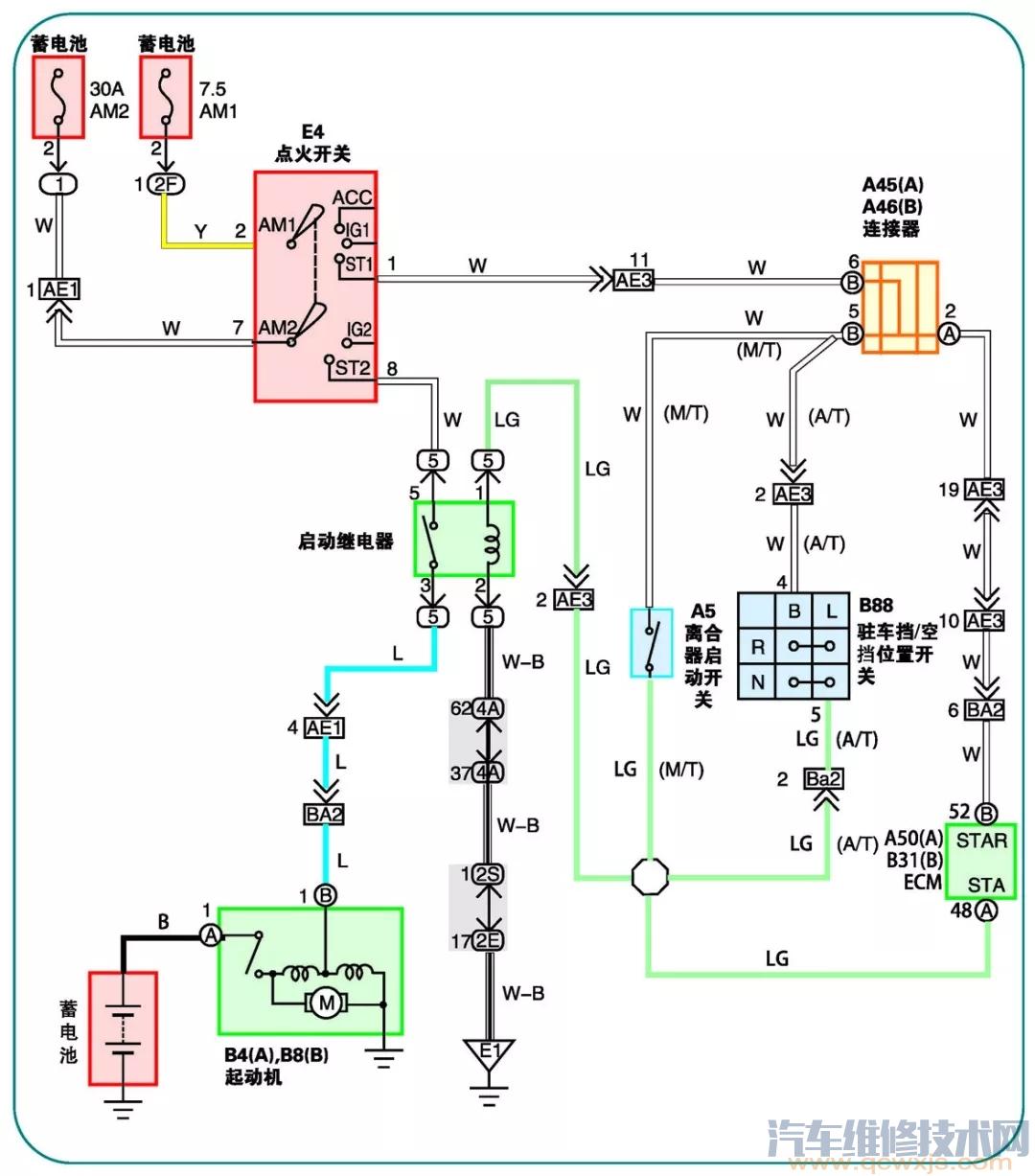
汽車啟動系統電路圖(識讀)
教你怎樣看汽車電路圖
03-14
電動車窗的電路圖解析與常見故障的檢修思路&案例分析
教你怎樣看汽車電路圖
2021-03-04 15:13:36
一、電動車窗電路工作情況1.電動車窗工作電路電動車窗工作電路如圖所示。車窗電動機的搭鐵受主控開關控制,通過改變車窗電動機的電流方向來改變電動機的轉向,從而實現車窗玻璃的升降。 ▲電動車窗...
如何看懂汽車電路原理圖 這些汽車電路原理圖的特點你一定要知道
教你怎樣看汽車電路圖
02-12
豐田汽車電路圖識圖方法
教你怎樣看汽車電路圖
02-03
日產汽車電路圖怎么看 日產汽車電路圖的識讀方法
教你怎樣看汽車電路圖
2021-02-02 00:28:17
日產汽車電路表示例釋(圖片足夠清晰,請單擊放大查看)日產汽車電路檢修案例12005款東風日產頤達,發動機號是為HR16DE,該車在行駛中有時會突...
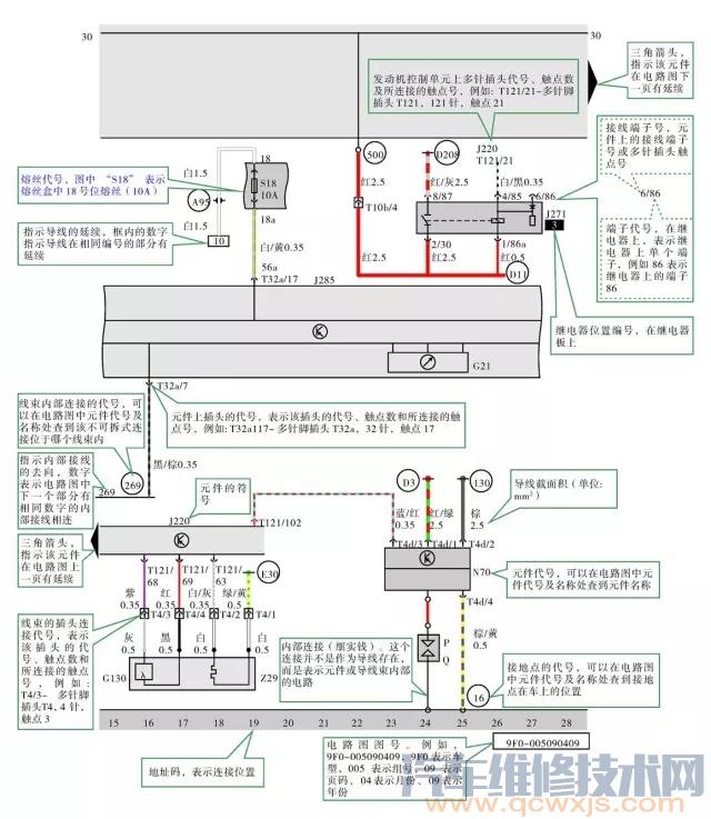
奧迪電路圖怎么看?大眾/奧迪汽車電路圖的識讀入門
教你怎樣看汽車電路圖
02-01
日產汽車電路圖的識讀
教你怎樣看汽車電路圖
01-03
汽車電路圖6大識讀要點
教你怎樣看汽車電路圖
2021-01-01 19:14:20
無論是學習汽車電路原理,還是對新車型汽車電路進行故障檢修,都離不開閱讀汽車電路圖,熟悉并掌握如下汽車電路圖識圖要點,對識讀電路圖和汽車電路故障分析都十分重要。1.時...

















































