常見各種類型汽車電路識圖方法
汽車電路圖的分類
電氣線路圖
電路原理圖
電路原理圖重點表達各電氣系統電路的工作原理,既可以是全車電路圖,也可以是各系統電路原理圖
⑴ 汽車傳統(開關/繼電器)控制電路原理圖
⑵ 汽車電子控制電路原理圖
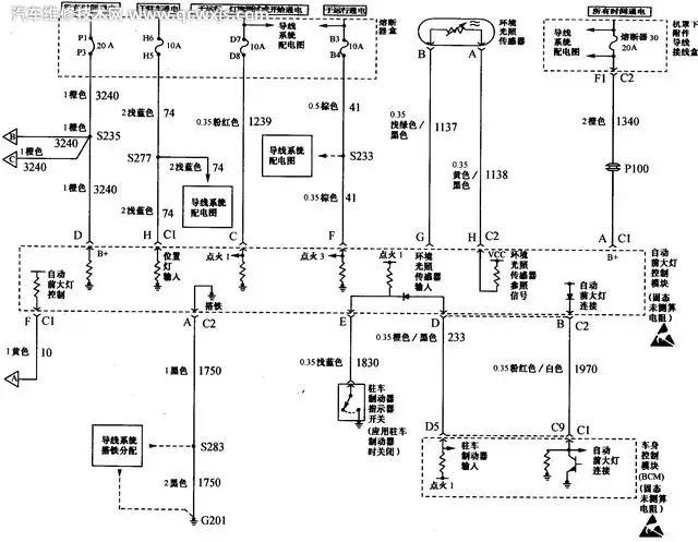
下圖為別克轎車前大燈控制電路原理圖
⑶ 汽車開關內部位置—電氣連接關系圖
下圖為廣本雅閣電動座椅開關電氣連接關系圖
⑷ 汽車電路原理方框圖
方框圖是把一個完整電路劃分成若干部分,各個部分用方框表示,每一方框再用文字或符號說明功能,各方框之間用線條連接起來,用以表明各部分的相互關系。不必畫出元器件和它們之間的具體連接情況。
電路定位圖
電路定位圖用于指示各電器及導線的具體位置。一般采用繪制的立體圖或實物照片的形式,立體感強、能直觀、清晰地反映電器在車上的實際位置,具有很高的實用價值。定位圖還可以細分為汽車電器定位圖、汽車線束圖、汽車線路連接
器插腳圖和汽車接線盒(含熔絲盒、繼電器盒)平面布置圖
⑴ 汽車電器定位圖
確定各電器元件、連接器、接線盒、搭鐵點、鉸接點及診斷座等的分布位置。下圖是廣本雅閣轎車部分搭鐵點定位圖。
⑵ 汽車線束圖
確定電線束與各用電器的連接部位、接線柱的標記、線頭、連接器的形狀及位置。
⑶ 汽車線路連接器插腳圖
確定連接器內各導線連接位置。下圖是電動后視鏡連接器插腳圖。
⑷ 汽車接線盒(含熔絲盒、繼電器盒)平面布置圖,
確定熔絲、繼電器等具體安裝方位。
各車系電路原理圖的特點
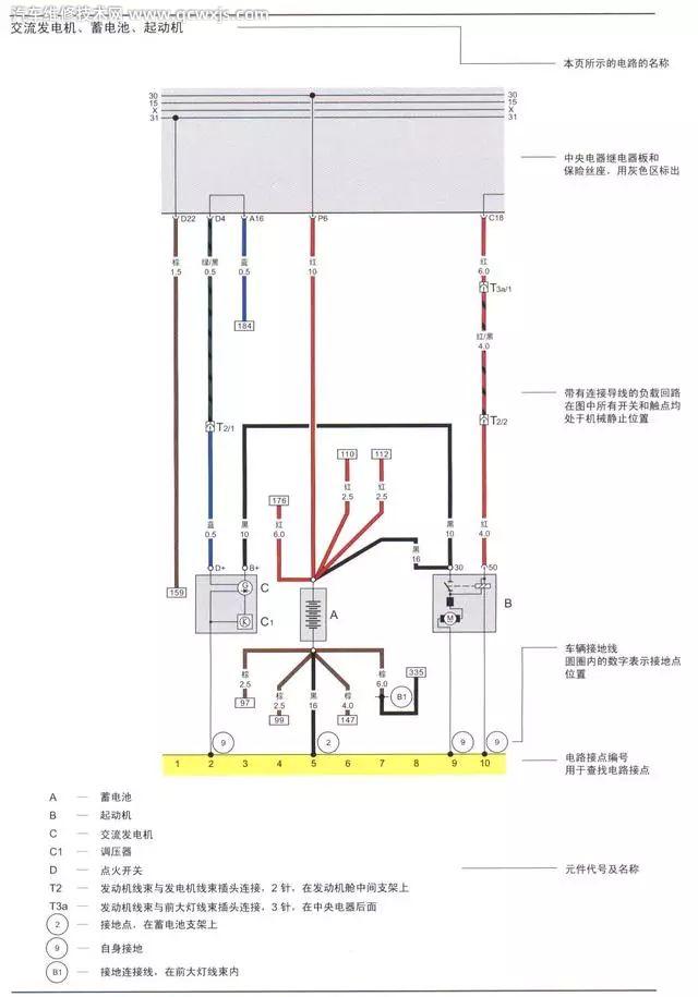
橫坐標式電路圖
該模式的電路圖在最下端通過編號坐標標注圖中各線路的位置,各線路平行排列,每條線路對準下框線上的一個編號。圖中一般不允許橫向交叉跨度較大的走線,橫向連接的走線采用斷口標注的方式表示,即線路斷口處標注為與之相連的另一段線路所在圖中的位置編號。主要以德國大眾車系為主。
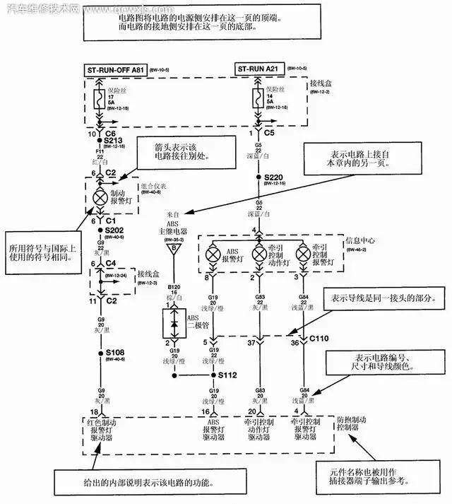
電路原理圖說明如下:
1—三角箭頭,表示下接下一頁電路圖。
2—保險絲代號,圖中S5表示該保險絲位于保險絲座第5號位,10安培。
3—繼電器板上插頭連接代號,表示多針或單針插頭連接和導線的位置,例如D13表示多針插頭連接,D位置觸點13。
4—接線端子代號,表示電器元件上接線端子數/多針插頭連接觸點號碼。
5—元件代號,在電路圖下方可以查到元件的名稱。
6—元件的符號,可參見電路圖符號說明。
7—內部接線(細實線),該接線并不是作為導線設置的,而是表示元件或導線束內部的電路。
8—指示內部接線的去向,字母表示內部接線在下一頁電路圖中與標有相同字母的內部接線相連。
9—接地點的代號,在電路圖下方可查到該代號接地點在汽車上的位置。
10—線束內連接線的代號,在電路圖下方可查到該不可拆式連接位于哪個導線束內。
11—插頭連接,例如T8a/6表示8針a插頭觸點6。
12—附加保險絲符號,例如S123表示在中央電器附加繼電器板上第23號位保險絲,10安培。
13—導線的顏色和截面積(單位:平方毫米)。
14—三角箭頭,指示元件接續上一頁電路圖。
15—指示導線的去向,框內的數字指示導線連接到哪個接點編號。
16—繼電器位置編號,表示繼電器板上的繼電器位置編號。
17—繼電器板上的繼電器或控制器接線代號,該代號表示繼電器多針插頭的各個觸點。例如,2/30表示:2=繼電器板上2號位插口的觸點2,30=繼電器/控制器上的觸點30。
橫縱坐標式電路圖
該模式的電路圖采用橫縱坐標來確定電器在電路圖中的位置,如奔馳汽車采用數字做橫坐標,采用字母做縱坐標給電路進行定位 。
無坐標模塊式電路圖
無坐標模塊式并不是特點,此處將其歸為一類主要為了和其他形式的電路圖形成對比。目前,采用此方式繪圖的汽車制造公司較多,如通用別克,本田,東風雪鐵龍,富康,豐田,福特,寶馬,三菱等。但各公司的具體電路表達方式和圖形符號各有不同,讀圖時需參照相關電路圖和圖形符號列表進行。
圖例一:北京切諾基(戴姆勒-克萊斯勒)電路原理圖
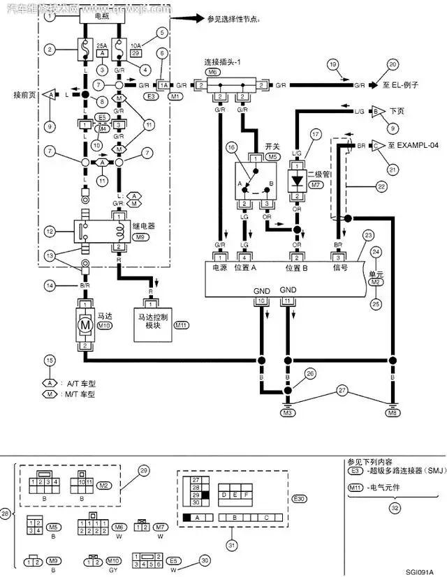
圖例二:日產汽車電路原理圖
相關內容
汽車電路識讀圖注意事項
在汽車維修時識讀汽車電路是必不可少的,汽車維修朋友在識讀汽車電路汽車電氣線路圖時,應注意一下幾點:(1)開始讀圖必須先讀電路圖注,對照圖注弄清楚個電器部件數量及功用,找出每個電器部件的電流通路。...





























