【維修案例】上海通用昂科威儀表提示維修駕駛輔助系統
車型:2015年上海通用昂科威,配置2.0T LTG發動機。
VIN:LSGXE83L6FD××××××。
行駛里程:19989km。
故障現象:客戶來電,最近他的車儀表總是提示維修駕駛輔助系統,難道車有故障了?
故障診斷:邀約客戶進店,然后根據客戶報修的故障現象檢查,儀表確實顯示檢修駕駛輔助系統。
發動車輛一切正常,路試車輛發現,在行駛中如果使用自適應巡航的時候就會出現提示維修駕駛輔助系統。
連接診斷儀GDS2檢測故障,系統有故障碼:B1325 03控制模塊電路低電壓。
故障碼是歷史儲存的,技師在清除后故障燈不再點亮。接著進行路試,嘗試遠距離攝像頭的學習,要求如下:直線行駛,勻速60km/h以上保持,正常自學習一般10min左右就可以完成,但我們這個學習20min也沒有完成,并提示自適應巡航暫時不可用。
由于遠視攝像頭不能學習,猜想是不是之前的歷史故障碼(B1325 03控制模塊電源低電壓)導致。
于是查詢物體檢測和行人保護這個系統內是否有相關故障內容的提示。
13.2.2 診斷信息和程序:
13.2.2.1 DTC B094B或B094C
13.2.2.2 DTC B094D或B094E
13.2.2.3 DTC B0954、B0955、B0956或B0957
13.2.2.4 DTC B0958、B0959、B0960或B0961
13.2.2.5 DTC B0967或B0968
13.2.2.6 DTC B096B
13.2.2.7 DTC B096C或B096D
13.2.2.8 DTC B0987
13.2.2.9 DTC B1011
13.2.2.10 DTC B1015
13.2.2.11 DTC B127B
13.2.2.12 DTC B1405
13.2.2.13 DTC B356A
13.2.2.14 DTC B390A
13.2.2.15 DTC B390C
13.2.2.16 DTC B390D
13.2.2.17 DTC P15F6
我們知道一般故障碼B開頭都是車身系統故障,所以嘗試在故障診斷和策略中查詢全車DTC(如圖1所示),從中尋找相關的疑點和維修思路。
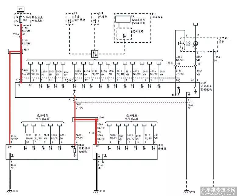
查看電路圖中的主動安全控制模塊的線路,如圖2、圖3所示。
根據維修手冊診斷策略,就是檢查電源電壓是否有12.45V,試燈檢查正常點亮。檢查搭鐵線都是正常,檢測所有線路沒有發現異常, 通信線路也沒有發現異常。
既然經過測試明確了線路和供電都是正常的,那么主動安全控制模塊(如圖4所示)本身的內部故障疑點就增大了。嘗試和試乘試駕車互換,然后故障消失。
故障總結:新車型的故障診斷還是要多點心思去分析,然后找出合理的策略診斷方案。在不確定故障件的情況下,可以嘗試互換或者和正常車相互對比參數進行維修,不失為一個好辦法。
圖1 查詢全車DTC
圖2 主動安全系統電路1
圖3 主動安全系統電路2
圖4 主動安全控制模塊
- 精彩推薦
-
- 最近發表







