汽車空調系統的控制之汽車壓縮機的控制
哎,楊老濕不是說空調系統都講完了嗎?
嗯,似的,制冷原理、系統部件都講完了,控制可沒聊哦!
光聊制冷原理,只談系統部件,不聊系統控制的老師可不是好廚師!
因此,這期開始咱們開始聊聊汽車空調系統中控制上的那點事兒!
所以,楊老濕就繼續忽悠... ...
說到汽車空調的控制,不僅僅是我們常說壓縮機的吸合控制或可變負荷控制,實際上當前的空調系統還包括:電子扇風速或散熱控制;儀表臺中蒸發箱中的風向、風速、冷暖調節、內外循環等控制;甚至我們還會把車輛風擋除霜加熱、座椅通風加熱等等控制都歸類在汽車空調系統中。
下面,各位小伙伴們就準備好板凳,咱們一塊聊聊汽車控制控制上的那點事兒!
聊到壓縮機,楊老濕和各位童鞋是聊過的,還記得《汽車空調的那點事兒、三》中壓縮機的分類嗎?
看了上圖分類結果,總結的來說,壓縮機的運轉就有:帶電磁離合器的和不帶離合器的兩種!
所以,壓縮機的控制楊老濕也把它們分為兩種:
1、壓縮機離合器線圈吸合控制
2、壓縮可變負荷閥的控制
壓縮機離合器線圈吸合控制
首先,根據汽車空調發展歷史來看,早期的或者當前低端空調系統都采用的是切斷和結合電磁離合器的方法來控制壓縮機制冷與否。而當今先進一點的采用的是無離合器線圈式的壓縮機,這些壓縮機就需要采用可變負荷閥來進行壓縮機的制冷控制。
那么接下來,我們就先來聊聊我們最常見的帶電磁離合器的壓縮機控制。
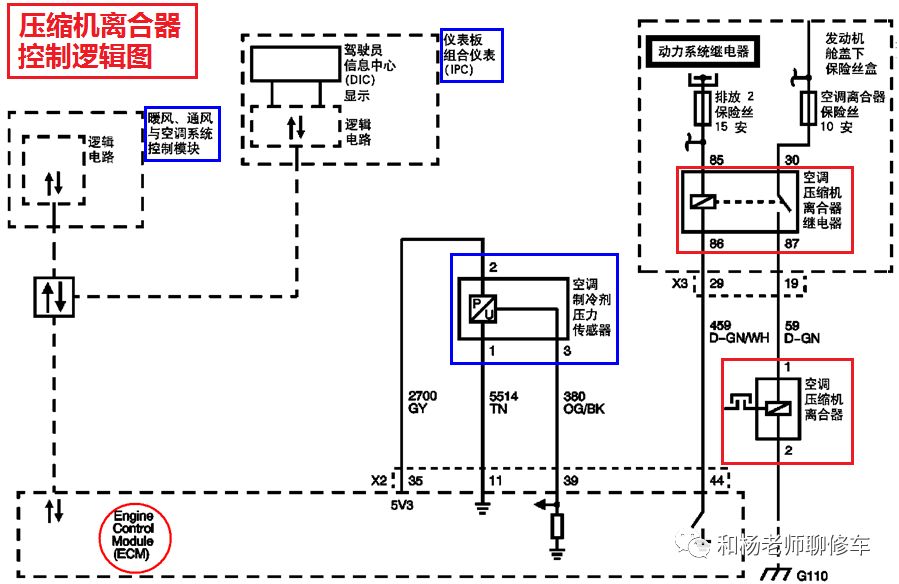
目前市場常見的汽車空調系統多采用帶離合器線圈的壓縮機,其控制是由發動機控制模塊根據空調發出的制冷申請,結合當前的傳感器狀態,再發出控制指令,使得壓縮機離合器線圈吸合,發動機皮帶帶動壓縮機運轉從而制冷。其典型的控制邏輯,如下圖所示:
由上圖我們看出:
首先,空調控制模塊(有些車或是空調面板)先提出空調吸合請求,當然請求信號是根據駕駛員的設定或AC開關狀態需求而來,通過CAN網絡或專用壓縮機需求請求專線發送至發動機控制模塊(根據車型年代不同,此信號的傳遞方式有所不同)。
然后,發動機控制模塊首先會參考空調的壓力傳感器的信號,判斷AC系統壓力是否在合適范圍之內,如果壓力過高(防止壓縮機爆機)或壓力過低(虧冷媒),都不會允許控制壓縮機吸合,如某車的壓力傳感器允許范圍是150-3000kpa之間。
同時需要額外注意的是:發動機控制模塊不僅僅參考一個空調壓力信號進行預判,還會參考外界氣溫、蒸發器溫度等信號,并根據發動機當時的狀態進行壓縮機的控制。比如某車存在下面的狀態時,發動機控制模塊都會禁止壓縮機的吸合:
? 環境空氣溫度低于2°C (35°F)
? 發動機冷卻液溫度(ECT)高于 120°C (250°F)
? 發動機轉速高于5500 rpm
? 節氣門開度大于90%
? 或者發動機模塊檢測到
動力系統控制模塊檢測到扭矩負荷過大
動力系統控制模塊檢測到怠速質量不良
動力系統控制模塊檢測到起動困難
滿足了上述所有的條件后,發動機控制模塊才會發出控制指令,控制保險絲盒中的壓縮機繼電器吸合,使壓縮機進入工作狀態!
那為什么很多車都采用發動機控制模塊控制壓縮機呢?
這是因為空調壓縮機運轉是靠發動機的動力帶動的,發動機帶動壓縮機勢必會造成發動機動力損失,為了彌補動力損失避免轉速波動,發動機控制模式在控制壓縮機結合是就會進行補油或進行點火修正。有些車型儀表中配有瞬時油耗顯示,所以我們在打開空調時會看到瞬時油耗會上升。
這里需要額外再次重申的是:
以上控制邏輯,僅代表目前部分車型的主流控制策略,不同車型、不同年款其控制細節會各有不同!各位童鞋,切莫死記硬、生搬硬套,重點是理解原理、合理分析判斷!!!
那么又有哪有細節的差別?楊老濕在此舉幾個栗子:
第一個就是空調請求信號,早期有些車輛并不具備空調模塊,空調配置的是手動,只有幾個溫度、風向、風速旋鈕和AC開關按鍵,那請求信號是怎樣傳遞的呢?我們來看一下,15年前某車的AC請求信號,沒有空調模塊、沒有壓力傳感器,沒有網絡,有的只是開關、電線... 如下圖所示:
其二,就是壓縮機的控制執行模塊,楊老濕說大部分都是以發動機模塊為控制中樞的,但是有很多例外哦。
有些車并非發動機控制模塊作為執行,而是把壓縮機的控制放到了其他模塊,比如車輛的網關或配電中心等模塊。
因為當前的車輛網絡通訊十分發達,已經沒有必要必須要把空調壓縮機的控制集成在發動機控制模塊中了,完全可以通過網絡信號告訴相關的電氣控制模塊來實行實行控制,但是發動機同樣會根據網絡信號實現輸出負荷的修正。
同樣,根據車型的不同空調的室外溫度傳感器不一定給儀表,還可能給空調模塊。所以,有些車外界溫度在儀表中顯示,有些則是在空調面板顯示,但是邏輯功能上外界溫度都是壓縮機是否吸合的一個參考條件。
所以說:不同車系、不同車型、不同年款,各種空調系統都是千差萬別的,只有掌握系統邏輯,查閱系統資料,才能正確分析原因、找到故障根源!
壓縮機壓力調節閥控制
那么裝備壓縮機壓力調節閥的空調系統又是怎么控制的?
一般的車型都是空調模塊根據蒸發箱溫度傳感器、日照傳感器、駕駛員設定目標值來計算當前目標值,采用脈寬調制的信號對壓縮機的壓力調節閥控制控制。具體的機械原理我們在可變排量壓縮機中有過介紹,當前我們只聊電氣控制,因為是控制占空比,所以壓力閥其控制是由模塊直接驅動的,當然有些執行模塊是空調模塊,有有些則是車輛網絡中的網關或車身控制模塊,但是信號是由空調模塊來計算并傳遞的。
為什么要使用使用無離合器的空調壓縮機是采用壓力閥?原因是無電磁離合器負荷變化是緩慢的、對發動機的負荷變化影響較小,而缺點是壓縮機歲發動機及一直轉動,不可能做到完全0%無負荷運轉,最低要有5%的負荷率。所以,長期來講,不利于節能性能。
那么有沒有機既有電磁離合器、又有壓力調節閥的壓縮機?
當然有!現在很多車型的壓縮機的控制,既有電磁離合器實現完全斷開壓縮機運轉,又有壓力閥調節壓縮機內部斜盤控制控制排量。
這種空調壓縮機仍由由發動機通過一個傳動皮帶驅動,通過一個電磁離合器實現接通和斷開。同時,在空調壓縮機中通過壓力閥的控制,可以無級調節功率。
輸送量和制冷劑循環回路所需的壓力是通過空調壓縮機中的柱塞產生的。柱塞行程由斜盤控制。通過該移動調節斜盤實現控制范圍0 % 至 100 %無極調節。
因此,此類壓縮機一般也會有兩根線路:
一根是控制電磁離合器的線束;另一根則不是接地線,而是由PWM脈沖寬度調制的信號控制壓縮機調節閥控制線路。那么接地呢?接地則是根據壓縮機泵體連接到發動機上而搭鐵的。
好了,壓縮機的控制原理與邏輯就聊到這里,下面楊老濕結合上面的內容介紹一則壓縮機的故障案例,案例雖然整整已經過去十年,但是這則案例對楊老濕的影響、給楊老濕的教育意義,應該讓楊老濕再過十年都不會忘記!
故障案例:這輛新車為何就不制冷?
為什么記得那么清楚?因為,那是奧運會的那個夏天,天特別的藍,但是那么一天,楊老濕心情去不如天空那么晴朗!
業務大廳、一位車主,不停的在鬧騰著,嘴里還嚷嚷著:我的大新車空調就不涼,你們得給我退車、退車、退車!經理一個勁的賠笑臉,還給楊老濕擠眼,咱只好偷偷的溜到車間,看看這到底是咋回事兒?
打開空調開關,調節溫度控制到最冷狀態時發現:空調可以打開、控制面板A/C指示燈也可以正常點亮,可壓縮機就是不吸合,測測冷媒壓力挺正常的啊?
好吧,既然壓縮機不吸合,那就出絕招快速判斷一下:是控制的問題還是執行的問題;于是乎,跨接壓縮機繼電器:空調呼呼的冒出了令人心曠神怡的冷氣!然而,咱能把跨接線一直接著交車嗎?顯然不能,接下來還是得看看為什么繼電器不吸合!
試驗很明顯說明:執行部件沒有問題,就看控制部分了?
看看線路圖,壓縮機電磁離合器由發動機控制模塊控制接地;試燈一頭接電,測量控制端結果沒有接地!
好吧,上家伙!拿出診斷儀插上一看:發動機、空調兩個模塊沒有任何故障代碼;發動機數據中的水溫也不高,空調壓力數也完全正常!利用診斷儀特殊功能驅動一下壓縮機試試:哎,居然壓縮機是可以被控制吸合的哦!
那么這是為什么呢?這里面啦難道還有啥不滿足的條件?
對了,壓縮機結合請求信號、蒸發器溫度傳感器?按開關、看數據,請求信號是可以正常發送到發動機模塊的,蒸發器溫度27度,妥妥的沒問題啊 ... ...
那么還有什么條件影響壓縮機?周邊的兄弟你一言我一語:換個壓力傳感器、換個水溫傳感器,換個空調面板、換發動機模塊吧 ... ...
哼、不看資料的胡思亂想永遠都是瞎BB,怎么辦?回辦公室、點顆煙、打開電腦、查手冊:
壓縮機結合條件:
1)車外空氣溫度(OAT)超過1.5 ° C (35 ° F) ;
2)控制模塊在9-16伏范圍內工作 ;
3)發動機冷卻液溫度(ECT)小于128 ° C ( 262 ° F) ;
4)發動機轉速大于0轉/分;
5)空調壓力介于2 850千帕(413磅/平方英寸)和204千帕(30磅/平方英寸)之間
壓縮機斷開條件:
1)節氣門開度為100% ;
2)空調壓力高于2,850千帕(413磅/平方英寸)
3)空調壓力低于204千帕(30磅/平方英寸) ;
4)發動機冷卻液溫度(ECT)大于128 ° C ( 262 ° F)
那好,一項一項的驗證:
外界溫度,這么熱的天,肯定大于1.5度、
發動機模塊電壓為系統電壓,13.8V、
冷卻液溫度89度、
發動機怠速正常運轉750rpm、
空調壓力644kpa、
臥擦,活見鬼了,條件都滿足,結果壓縮機控制信號就是不發出,難道發動機模塊真的這么脆弱?以咱修了8年的這個車型來講,不至于這么脆弱吧?容俺再謹慎的想想吧...
這時,大領導也跨進車間:車主已經先行告退了,楊老濕你就慢慢折騰吧... ...
有了定心丸,心里不再著急,慢慢回憶著判斷思路:
信號、數據通信沒問題,短接能吸合壓力和壓縮機沒問題,人為驅動控制沒有問題,模塊也應該沒有異常啊,各個條件都滿足,為啥不吸合?一定有什么地方沒有認真驗證,難不成有虛假信息?于是,楊老濕再次對壓縮機吸合條件逐一仔細驗證:
第一項,室外溫度吧信號送給誰?IPC儀表?HVAC控制模塊?查圖:
那好,先那儀表開刀,剛進入儀表模塊,楊老濕居然就發現一個新大陸:
IPC儀表中存儲一個:外部溫度傳感器電路高的故障代碼!
檢查外界溫度傳感器線路,居然發現傳感器其插頭沒有插好!
為啥沒插?
車輛前幾天剛撞車了,前部保險桿剛噴的漆,是誰干的好事你們懂的!
當然,不是我的兄弟,車主在外面的修理廠自費噴的漆!
最后,才發現此案例的根源是:
室外溫度傳感器斷路,導致壓縮機不吸合。
有人該說了,楊老濕這案例挺簡單的啊,楊老濕寫的有點太夸張、形象了吧?
嗯,案例是簡單點,放現在估計你們都是分分鐘就搞定,為啥咱還這么大張旗鼓給各位童鞋介紹這個案例?因為,給楊老濕的觸動很大!
第一個就是:思路問題!判斷邏輯!
以前楊老濕傻啊不會說,現在楊老濕才會講這個道理:這個故障的整體思路就是分段驗證,先是驗證執行部分沒有問題,決定對控制部分入手。通過數據流、驅動功能檢查驗證,發現是模塊發不出控制信號,接下來再查條件,只是沒有想到最簡單的條件就在最初忽略了。
所以,楊老濕覺得壓縮機不吸合的判斷思路,這應該算是最簡單的邏輯了:找中間點、短接繼電器,選擇控制部分還是執行部分;控制部分查資料、控制部分查線路。
此外,給咱另一個的感受就是修車要注意細節!
以當時7月底、外界的溫度,一定是超30度的,然而進廠時空調面板顯示的23度,實際就是一個錯誤的信號,如果早意識到這個溫度是錯誤的就不會浪費后面的時間和精力,不用去考慮過多的項目了!
同時,還要認識到不同車型不同軟件的影響,在空調丟失儀表外接溫度后,會將系統外接氣溫默認為23°,并且空調模塊、發動機雖然有替代值,但是實際的程序并不會忽略的室外溫度短路的狀態。所以才禁止了壓縮機的吸合。
你可以說,這樣的設計太傻太天真,可人家就能這樣,你能怎么樣,我只能被動的理解并注意這些軟件的細節。
除了認識軟件的設置之外,還要掌握診斷儀的特性:早期有些診斷儀只能單個系統的逐一檢查查閱診斷代碼與數據,現在很多診斷設備都能做到總體診斷,對車輛的各個系統左一個概覽。所以,當時就沒有發現IPC儀表中有相關的故障代碼。
不僅如此,最根本的問題其實還是要掌握系統的邏輯性以及各個相關信號的傳遞方式和通路。在沒有查閱資料之前,楊老濕絕不能把儀表和空調壓縮機相互聯系起來。但是,當你一旦掌握這個系統控制邏輯之后,自然而然的就不會在一開始的時候忽略這個室外溫度信號,就會進入儀表中查閱故障代碼以及數據是否正常了。所以,在之后幾年的實踐維修生涯中遇到的壓縮機不吸合案例,我都會自然而然的去驗證這個邏輯信號的數據是否合格!
好了,汽車壓縮機控制的案例就聊到這里,楊老濕借著案例又吹多了,居然把十年之前的案例從腦子里領出來意淫,其實也不僅僅是為了講空調壓縮機控制邏輯,更重要是給各位小伙伴們舉一個簡單的栗子,如何把今天所講的理論聯系到實踐當中。
這期的壓縮機及控制,就到此為止吧,下期咱們再聊... ...
楊老濕
2018-8
- 精彩推薦
-
- 最近發表







