了解濰柴國四BOSCH后處理系統的這些,讓你修后處理不再難!
結合國內油品環境及技術條件,濰柴國四發動機選擇了更適合國內市場的電控高壓共軌+SCR技術路線。如果僅用一句話歸納濰柴的國四發動機是什么?那么你可以簡單的認為:國四即是在國三電控機的基礎上,在排氣管增壓器后增加了一套噴射尿素的裝置,尿素水溶液噴射到排氣管后,在高溫條件下與尾氣中的NOx發生化學反應產生氮氣,從而降低尾氣排放中NOx的濃度。
對于發動機本體部分,國三與國四基本相同,主要是發動機ECU的改變:國三電控機的ECU用的是EDC7,而國四產品的ECU為博世的EDC17(除了完善EDC7的原有功能外,將后處理尿素噴射的控制集成在一起)。
如果你急欲了解濰柴國四后處理系統的結構,獲得濰柴國四發動機后處件的詳細參數,那么,這一章對你真的很有用!以下,將從濰柴國四BOSCH后處理系統進行詳細介紹。
國四BOSCH后處理系統結構介紹
后處理系統主要包括:尿素箱、尿素泵、噴嘴、SCR箱,除了這些還包括控制器EDC17、尿素管路、各種傳感器及尿素的加熱系統。
上圖是尿素箱的外觀,尿素箱主要包括箱體外殼、傳感器總成。傳感器總成包括液位傳感器、尿素箱溫度傳感器及尿素管路接口(吸液管、回液管接口、水加熱管路)。
尿素泵外觀及放置規范:
從尿素泵的外觀來看,尿素泵主要包括:三個管路接口、12孔電器接口。管路接口下方分別標注著“INLET、BACKLET、OUTLET”,分別表示“吸液管、回液管、壓力管”接口,所以,通過觀察管路接口下方的英文標識,即可判斷管路接口。
基本安裝規范:管路接口豎直朝上,前、后傾斜角度不得超過45°,左、右旋轉也不得超過 45°。
博柴N19-9智能尿素泵清洗機
(點擊上方圖片立即搶購)
噴嘴屬于電器件,工作原理類似于電控發動機的噴油器,由EDC17通過控制噴嘴內部的電磁閥來實現噴嘴的打開或關閉。
電器件耐高溫性能較差,而噴嘴直接接觸高溫排氣管,為避免噴嘴被高溫損壞,要求噴嘴必須接發動機冷卻水管路,通過發動機冷卻水對噴嘴時時冷卻。
噴嘴在排氣管上可以任意角度安裝嗎?不,為更好的保護噴嘴,保證尿素噴射、霧化效果,避免尿素直接噴到排氣管壁上,噴嘴在排氣管徑向、軸向的安裝都有角度要求。
如下圖,從排氣管截面來看,推薦安裝在綠色區域(45~85°275~315°),不推薦安裝在橙色區域(315~45°),禁止安裝在紅色區域(85~275°)。橙色區域由于熱流上升,溫度比較高;而紅色區域,尿素沉積物有可能堵塞噴嘴。
SCR箱是尿素與尾氣中NOx充分混合、發生化學反應的場所,此化學反應的進行必須滿足兩個基本條件:催化劑,溫度高于200℃。如果這兩個條件不能滿足,那么噴射的尿素不僅無法反應,尿素在一定溫度下還會分解出氨氣,排到大氣中造成更嚴重的污染。
SCR箱主要結構包括:催化劑、載體和封裝。催化劑均勻的涂抹在載體上。
SCR箱主要分為兩類:桶式和箱式,主要是為適應不同車輛的配置要求。其中,受空間影響,桶式主要安裝在客車上。
后處理系統包括的傳感器:尿素液位傳感器、尿素箱溫度傳感器、尿素泵壓力傳感器、上游排氣溫度傳感器、氮氧濃度傳感器(NOx傳感器)和環境溫度傳感器。早期濰柴國四產品還有下游溫度傳感器,但隨著產品優化升級,后期國四發動機將此傳感器取消。
尿素液位溫度傳感器、壓力傳感器的在尿素箱、尿素泵章節已經簡單介紹,本章節主要介紹上游排氣溫度傳感器、氮氧濃度傳感器和環境溫度傳感器。傳感器安裝位置:
后處理系統的加熱包括兩類:水加熱、電加熱。
水加熱:尿素箱使用發動機冷卻液進行加熱,當尿素箱溫度低于某一溫度,同時發動機冷卻液溫度達到55℃時,ECU打開冷卻液電磁閥,控制熱的冷卻液流經尿素箱對尿素進行加熱解凍。
電加熱:尿素泵及三根管路通過加熱電阻絲進行加熱,當檢測到外界環境溫度較低,且沒有后處理加熱相關故障時,ECU控制加熱繼電器閉合,開始加熱。
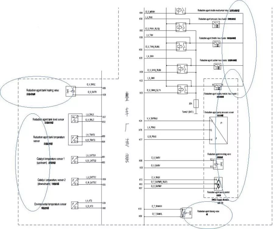
與國三發動機ECU(EDC7)相比,EDC17將發動機傳感器、執行器接插件合在一起,統稱發動機接插件。后處理功能針腳添加在了整車接插件上,其他功能基本相同。
下圖為整車接插件上增添的后處理針腳:左側為水加熱電磁閥、傳感器部分,右側包括電加熱、尿素泵及噴嘴的針腳。其中尿素泵內有換向閥,他的作用是:為避免尿素泵、管路內殘留的尿素結晶,當發動機熄火后,尿素泵繼續工作,換向閥控制將尿素管、尿素泵內的尿素倒吸回尿素箱,持續時間約90秒鐘。所以,司機熄火后,至少90秒后才允許關閉整車電源開關。
- 精彩推薦
-
- 最近發表







