【維修案例】2013年蒙迪歐空調不制冷
車型:配備雙區域自動溫度空調系統。
行駛里程:35860km。
故障現象:車子在使用過程中出現空調不制冷,即啟動發動機,按下A/C開關后,空調控制面板調到制冷狀態,沒有冷氣,出自然風。
故障診斷:據車主反映,車子最近出現開啟空調系統,按下A/C開關后,出自然風,沒有冷氣。接修車輛后,驗證故障現象,啟動發動機,空調系統調至制冷狀態,開啟A/C開關,經過很長一段時間后,空調依舊出自然風,空調不制冷,故障現象確實存在。經初步檢查發現,開啟A/C開關后,壓縮機電磁離合器沒有吸合,空調系統不能正常制冷,由故障現象及初步檢查結果分析可知,此車故障現象是由制冷系統(壓縮機)不工作導致的空調系統工作異常。
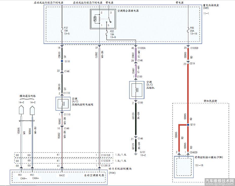
此車空調系統工作原理如圖1所示。
圖1 空調系統工作原理
此款車配備有雙區域自動溫度控制(DATC)系統,DATC集成到了中控面板控制模塊(FCIM)上,FCIM還包含了 HVAC(加熱+通風+空調)模塊的控制功能。FCIM也控制后風擋玻璃除霜和座椅加熱功能。同時對于配備了SYNC系統的車輛,客戶可以利用聲控和觸屏來控制空調系統。利用多功能觸摸顯示屏或聲控命令開啟空調時, SYNC會通過 HS1-CAN 將此命令發送給網關模塊(GWM)。網關模塊(GWM)將此請求信號發送給 MS-CAN 上的中控面板控制模塊(FCIM),此外網關模塊(GWM)還會通過HS1-CAN 向PCM發送請求信號。用中控面板控制模塊(FCIM)開啟空調時,FCIM 通過網關模塊 GWM 將此請求信號發送給HS1-CAN 上的 PCM,PCM 根據各種傳感器的輸入信號,控制空調壓縮機。PCM 通過空調壓力傳感器監測高壓管路壓力。當壓力過高或過低壓力時,PCM 會斷開壓縮機。在給定的環境溫度中,如果壓縮機高壓管路壓力低于參考值,PCM 也會斷開壓縮機。當 PCM 收到開啟空調的請求信號后,判斷如果滿足以下所有的條件,PCM 則接合壓縮機離合器:(1)PCM 未檢測到空調壓力傳感器值過高或過低;(2)環境溫度高于 2℃;(3)蒸發器溫度高于 2℃。同時PCM 根據以下輸入信號向壓縮機電磁閥發送 PWM 信號來控制壓縮機的變排量:(1)蒸發箱溫度;(2)室外溫度;(3)發動機轉速;(4)車速;(5)空調高壓管路壓力;(6)進氣溫度等。
空調制冷系統電路如圖2所示。
圖2 空調控制系統電路
為了確認是空調控制系統故障,還是執行系統(離合器線圈及線路)故障,首先將壓縮機繼電器拔掉,使用跨接線直接短接繼電器3號腳和5號腳壓縮機電磁線圈執行電路,此時壓縮機馬上吸合工作。同時經檢測,離合器繼電器及保險絲正常、線路也沒有短路、斷路現象。其次檢查空調壓縮機排量控制電磁閥的相關線路,啟動發動機及開啟A/C開關,測量電磁閥插接器C1110的1號腳及2號腳的電壓均為蓄電池電壓14.23V,這說明電磁閥的供電線路正常,經檢測從電磁閥C1110-1至PCM之間的線路也沒有短路、斷路現象。斷開C1110插接器測得電磁閥的電阻為15.8Ω,電磁閥沒有短路、斷路現象。通過以上的基本檢查說明開啟A/C開關后,PCM沒有控制壓縮機離合器繼電器及壓縮機排量控制電磁閥工作。如圖3、圖4所示。
圖3 電阻測量
圖4 電壓測量
排除了空調系統執行部分出故障的可能后,下面重點檢查空調控制系統方面的問題。用診斷儀IDS讀取數據流,讀取蒸發器表面溫度信號和當時的環境溫度一致,沒有異常。當時的環境溫度為38℃,空調管路壓力為1200kPa,從讀取到的數據顯示空調A/C開關信號會隨按壓開關變化而變化,PCM接收到的A/C信號正常。如圖5、圖6所示。
圖5 數據流1
圖6 數據流2
通過以上的檢測,PCM控制壓縮機繼電器吸合及壓縮機排量調節電磁閥工作的所有條件已經全部滿足,PCM依舊沒有做出相應的指令,是否是PCM內部控制電路故障?將相同配置正常車輛PCM調換到故障車輛,做好PCM編程及匹配好啟動模塊后,啟動發動機,開啟A/C開關,壓縮機離合器吸合、壓縮機排量調節電磁閥工作,正常制冷,空調系統正常工作。如圖7所示。
圖7 數據流3
到此故障原因找到,更換新的PCM并做好編程及匹配啟動模塊后故障排除(如圖8所示)。
圖8 端子測量
故障總結:此車故障是空調系統中制冷系統故障導致的一種故障現象,故障原因是發動機控制模塊PCM在接收到空調系統的請求信號后因PCM內部電路故障,沒有處理相關信號或控制壓縮機繼電器及壓縮機排量調節電磁閥工作所致。
- 精彩推薦
-
- 最近發表







